- Partiron
- OEM Parts
- Sea-doo
- Watercraft
- 2025
- WAKE Series
- WAKE PRO 230 - 2025
- WAKE - PRO - 13SB - Northern Lichen - Audio, 2025
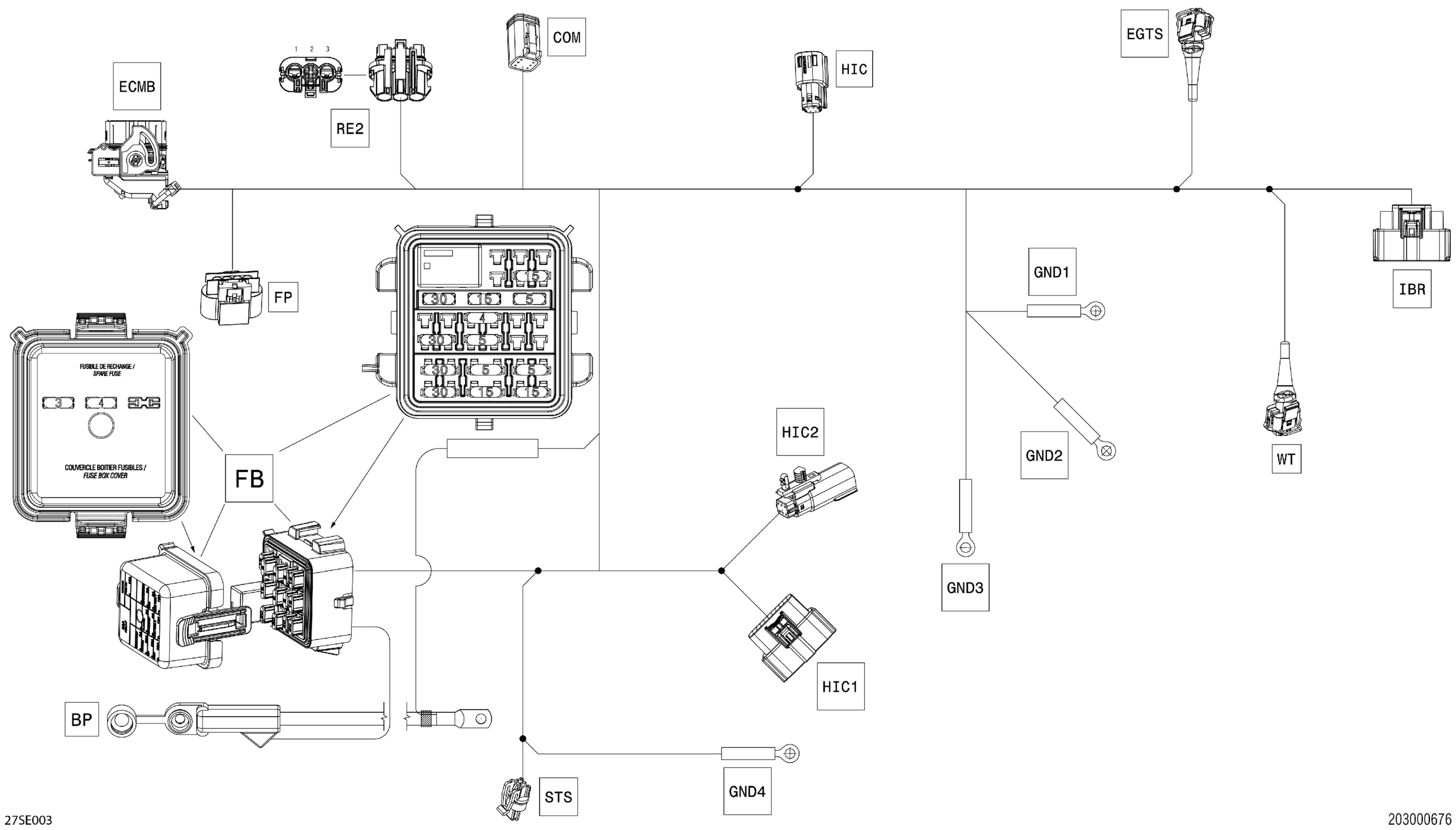
Electric - Main Harness - 278003815
Sea-doo WAKE - PRO - 13SB - Northern Lichen - Audio, 2025 Electric - Main Harness - 278003815 Diagram
#
Description
Price
