- Partiron
- OEM Parts
- Can-Am
- SXS
- 2025
- SSV - Maverick Series
- Maverick Turbo RR - XDS SAS - 2025
- Maverick - TURBO RR - XDS SAS - 7SSK - Fiery Red Metallic - 64" Width, 2025
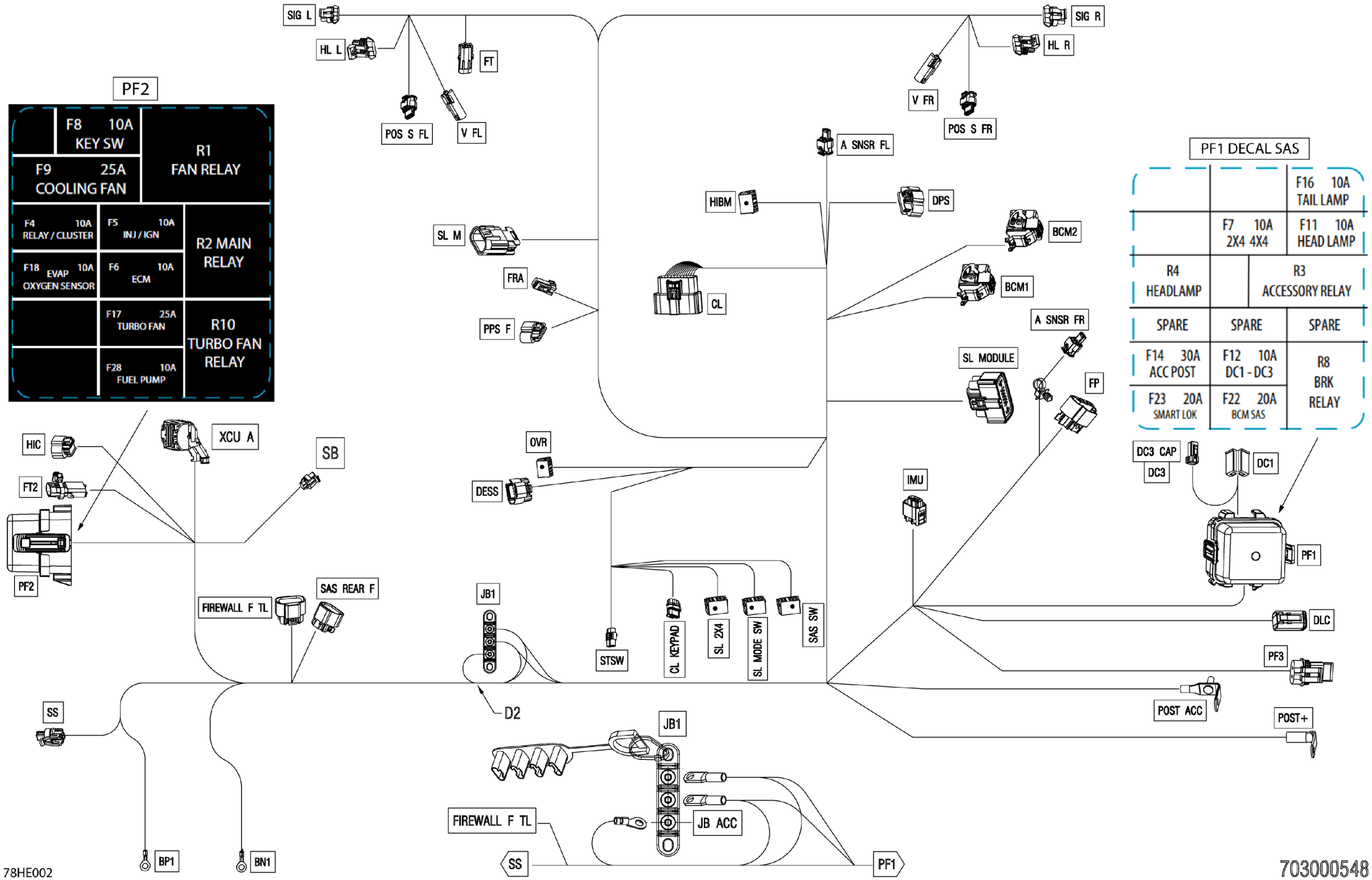
Electric - Main Harness - 710009871
Can-Am Maverick - TURBO RR - XDS SAS - 7SSK - Fiery Red Metallic - 64" Width, 2025 Electric - Main Harness - 710009871 Diagram
#
Description
Price
FL-1
Fuse Link
710004228
Unavailable
FL-2
Fuse Link
710004228
Unavailable
