- Partiron
- OEM Parts
- Can-Am
- SXS
- 2026
- SSV - Maverick Series
- Maverick MAX Turbo RR - DS - 2026
- Maverick Max - TURBO RR - DS - 7UTA - Scandi Blue - 64" Width, 2026
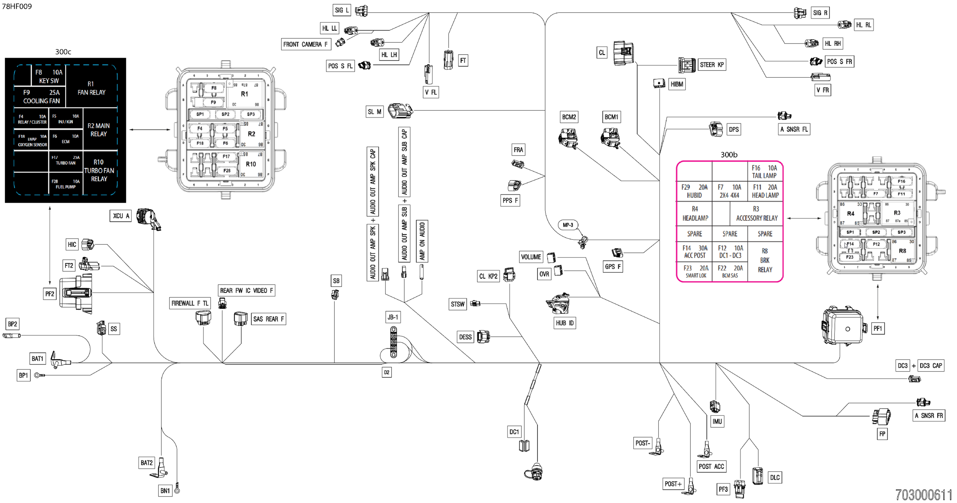
Electric - Main Harness - 710010594
Can-Am Maverick Max - TURBO RR - DS - 7UTA - Scandi Blue - 64" Width, 2026 Electric - Main Harness - 710010594 Diagram
#
Description
Price
FL-1
Fuse Link
710004228
Unavailable
FL-2
Fuse Link
710004228
Unavailable
JB-1
Junction Bloc
710006609
Unavailable
