- Partiron
- OEM Parts
- Can-Am
- SXS
- 2024
- SSV - Defender HD7 Series
- Defender MAX HD7 - BASE - North America
- Defender MAX HD7 - BASE - 8ZRA - Tundra Green - 62" Width CALI, 2024
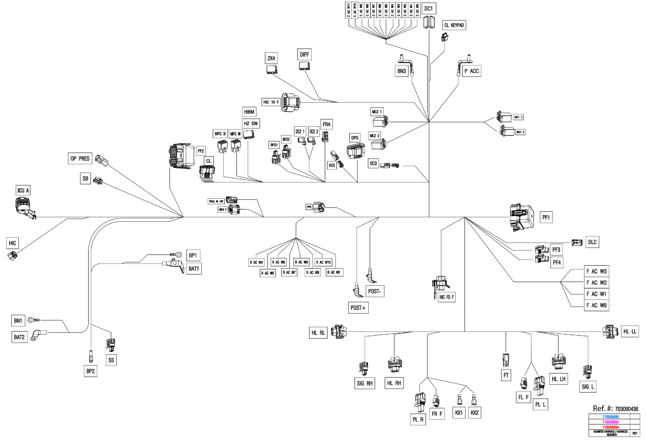
Electric - Main Harness - 710008895
Can-Am Defender MAX HD7 - BASE - 8ZRA - Tundra Green - 62" Width CALI, 2024 Electric - Main Harness - 710008895 Diagram
#
Description
Price
