- Partiron
- OEM Parts
- Yamaha
- motorcycle
- 1970
- HT1 (HT1) 1970
TAIL LAMP (HT1B)
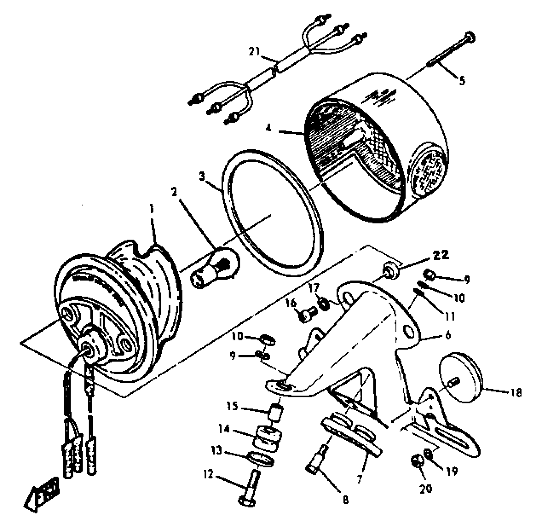
Yamaha HT1 (HT1) 1970 TAIL LAMP (HT1B) Diagram
#
Description
Price
1
TAILLIGHT UNIT ASSEMBLY
(275-84510-61-00)
Unavailable
1
BASE, TAILLIGHT
(275-84511-61-00)
Unavailable
2
BULB,TAIL LAMP(6V17/5.3W)
122-84514-30-00
Unavailable
3
. GASKET, LENS
275-84523-60-00
Unavailable
4
LENS, TAILLIGHT
(275-84521-60-00)
Unavailable
6
BRACKET, LICENSE
(444-84751-60-20)
Unavailable
8
BOLT 168217380000
90109-06017-00
Unavailable
9
NUT, HEXAGON
95380-06600-00
Unavailable
10
WASHER, SPRING
92995-06100-00
Unavailable
11
WASHER, PLAIN
92990-08200-00
Unavailable
15
COLLAR (J10)
90387-06026-00
Unavailable
16
SCREW
(479-84526-00-00)
Unavailable
17
WASHER, SPECIAL
2H7-84754-00-00
Unavailable
18
REFLECTOR, FRONT 1
(278-85111-00-00)
Unavailable
19
YBS67-5 WASHER, SPRING
92990-05100-00
Unavailable
20
NUT, HEXAGON (663)
95380-05600-00
Unavailable
21
CORD, TAILLIGHT
(277-84517-60-00)
Unavailable
22
. DAMPER
275-84527-60-00
Unavailable
