- Partiron
- OEM Parts
- Yamaha
- motorcycle
- 1970
- HS1 (HS1) 1970
ELECTRICAL
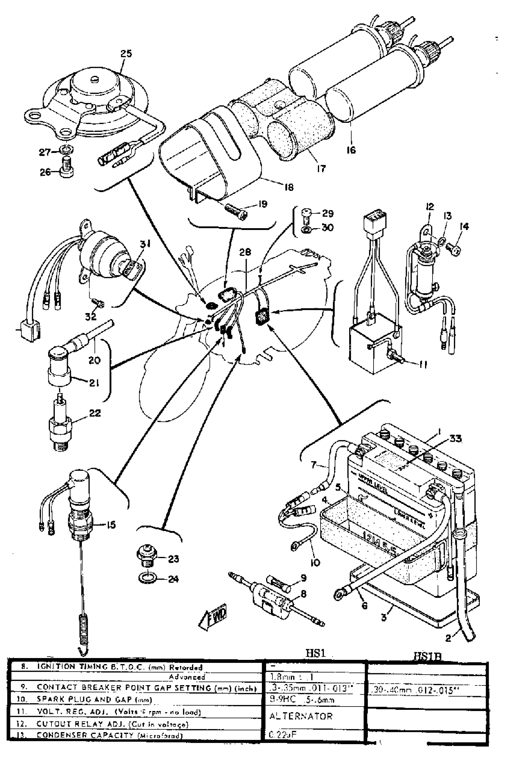
Yamaha HS1 (HS1) 1970 ELECTRICAL Diagram
#
1
12N5.5-3B GS BATTERY
12N-553BA-00-00
Unavailable
3
SEAT, BATTERY
(102-82122-00-00)
Unavailable
5
BAND, BATTERY
(164-82124-00-00)
Unavailable
6
WIRE, PLUS LEAD
(183-82115-00-00)
Unavailable
7
WIRE, MINUS LEAD
(183-82116-00-00)
Unavailable
8
FUSE HOLDER ASSY
2UJ-82150-02-00
Unavailable
10
WIRE, EARTH LEAD
(183-84756-00-00)
Unavailable
11
RECTIFIER ASSEMBLY
357-81970-60-00
Unavailable
12
RESISTOR
(287-81911-10-00)
Unavailable
13
WASHER, SPRING
92995-06100-00
Unavailable
15
STOP SWITCH ASSEMBLY
183-82530-01-00
Unavailable
16
IGNITION COIL ASSEMBLY
168-82310-70-00
Unavailable
17
HOLDER, COIL FTNG
(168-82312-00-00)
Unavailable
18
BAND, COIL FITTING
(168-82311-00-00)
Unavailable
19
SCREW PAN HEAD
98580-06020-00
Unavailable
20
CORD, HIGHT TENSION 1
137-82341-01-00
Unavailable
21
PLUG CAP ASSY
56J-82370-00-00
Unavailable
22
SPARK PLUG B9HC
(94701-00033-00)
Unavailable
23
NEUTRAL SWITCH ASSY
136-82540-03-00
Unavailable
24
WASHER, PLATE
90201-12790-00
Unavailable
25
HORN
326-83371-21-00
Unavailable
27
WASHER, SPRING
92995-06100-00
Unavailable
28
WIRE HARNESS ASSEMBLY
(287-82590-30-00)
Unavailable
29
SCREW, PAN HEAD(62J)
97885-06012-00
Unavailable
30
WASHER, SPRING
92995-06100-00
Unavailable
31
MAIN SWITCH ASSEMBLY
(287-82508-30-00)
Unavailable
32
SCREW, PAN HEAD(62X)
97885-05010-00
Unavailable
33
LABEL, BATTERY
40A-82141-G0-00
Unavailable
