- Partiron
- OEM Parts
- Polaris
- ATV
- 2009
- HAWKEYE 300 2X4 - A09LB27AA
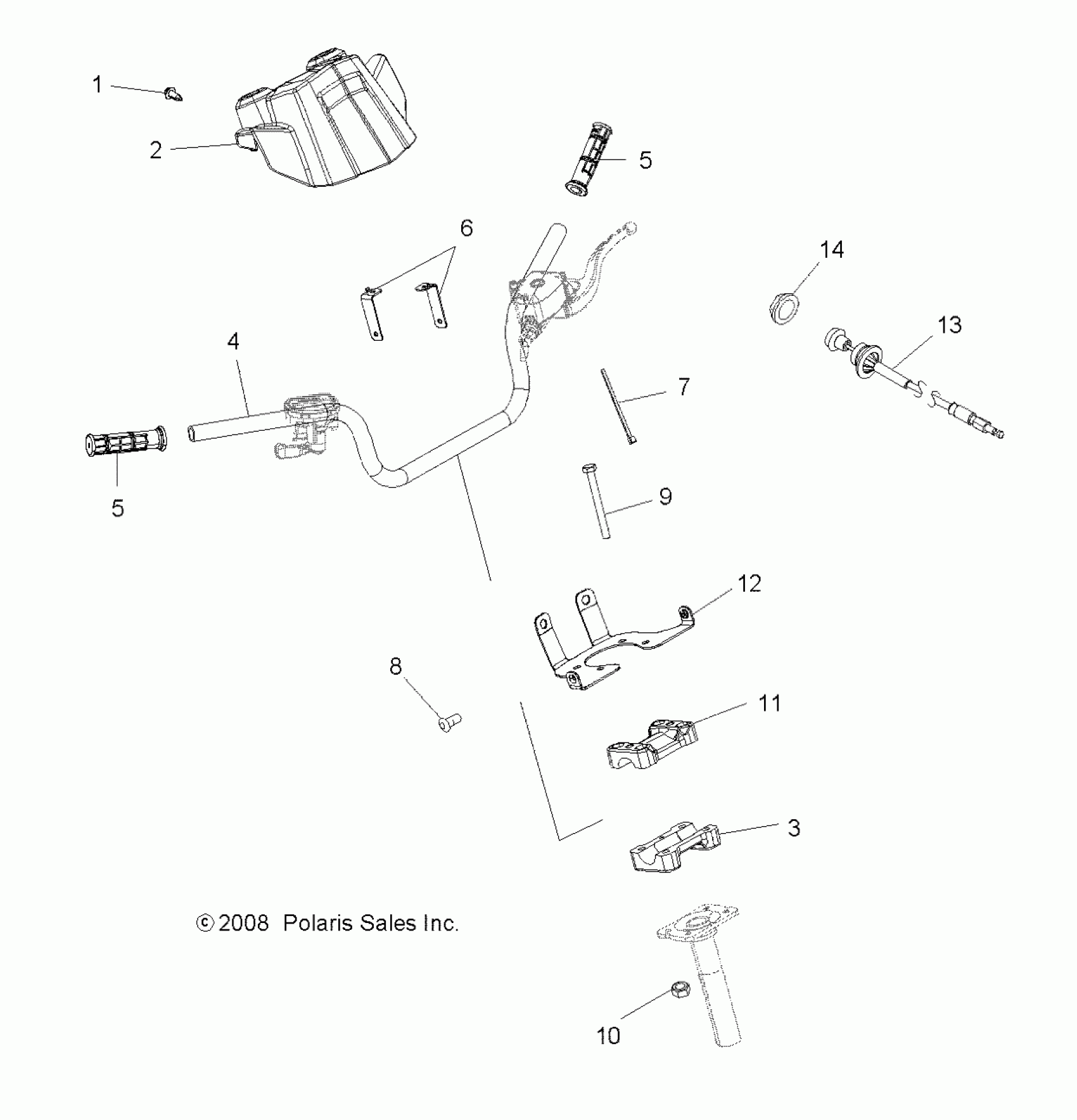
STEERING, HANDLEBAR and CONTROLS - A09LB27AA (49ATVHANDLEBAR09SP400)
Polaris HAWKEYE 300 2X4 - A09LB27AA STEERING, HANDLEBAR and CONTROLS - A09LB27AA (49ATVHANDLEBAR09SP400) Diagram
#
Description
Price
6
Mount, Pod Support
5250156
Unavailable
9
SCREW
7515189
Unavailable
12
Bracket, Pod
5250697-329
Unavailable
13
CABLE, CHOKE
7081171
Unavailable
