HAWKEYE 2X4 - A11LB27AA
BODY, CLUTCH COVER - A11LB27AA (49ATVCLUTCHCVR08HAWK)
BODY, DECALS - A11LB27AA (49ATVDECAL10HAWK)
BODY, FRONT BUMPER and MOUNTING - A11LB27AA (4999202079920207A07)
BODY, FRONT CAB and FRONT BOX COVER - A11LB27AA (49ATVCAB08SP300)
BODY, FUEL TANK - A11LB27AA (49ATVFUEL10HAWK)
BODY, MUD GUARDS - A11LB27AA (4999202079920207A09)
BODY, REAR CAB and SEAT - A11LB27AA (49ATVCABRR08SP300)
BODY, REAR CAB FOIL - A11LB27AA (49ATVCABFOIL07HAWK)
BODY, REAR RACK ASM. - A11LB27AA (49ATVRACKMTG08SP300)
BRAKES, BRAKE CALIPER MOUNTING - A11LB27AA (49ATVCALIPERMTG10HAWK)
BRAKES, BRAKE LINES - A11LB27AA (49ATVBRAKELINE08SP300)
BRAKES, BRAKE PEDAL and REAR MASTER CYLINDER - A11LB27AA (49ATVBRAKEFOOT10HAWK)
BRAKES, FRONT BRAKE LEVER and MASTER CYLINDER - A11LB27AA (4999202079920207A14)
BRAKES, FRONT CALIPERS - A11LB27AA (49ATVCALIPER08SP300)
BRAKES, REAR CALIPER - A11LB27AA (49ATVCALIPERRR10HAWK)
CHASSIS, FRAME - A11LB27AA (49ATVFRAME08HAWKINTL)
DRIVE TRAIN, GEAR SELECTOR - A11LB27AA (49ATVGEARSELECT08SP400)
DRIVE TRAIN, MAIN GEARCASE - A11LB27AA (49ATVTRANSCVR08HAWKINTL)
DRIVE TRAIN, MAIN GEARCASE INTERNALS - A11LB27AA (49ATVTRANSINTL08HAWKINTL)
DRIVE TRAIN, MAIN GEARCASE MOUNTING - A11LB27AA (49ATVGEARCASEMTG08HAWKINTL)
DRIVE TRAIN, PRIMARY CLUTCH - A11LB27AA (49ATVPRIMARY08SP300)
DRIVE TRAIN, REAR DRIVE SHAFT - A11LB27AA (49ATVSHAFTDRIVERR08SP300)
DRIVE TRAIN, SECONDARY CLUTCH - A11LB27AA (49ATVCLUTCHDRIVEN08SP300)
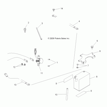
ELECTRICAL, BATTERY - A11LB27AA (49ATVBATTERY10HAWK)
ELECTRICAL, BULBS - A11LB27AA (49ATVBULBS08SP300)
ELECTRICAL, GAUGES and INDICATORS - A11LB27AA (49ATVGAUGES08SP300)
ELECTRICAL, HARNESSES - A11LB27AA (49ATVHARNESS10HAWK)
ELECTRICAL, HEADLIGHTS - A11LB27AA (49ATVHEADLTASM10HAWK)
ELECTRICAL, IGNITION SYSTEM - A11LB27AA (49ATVMAGNETO08SP300)
ELECTRICAL, SWITCHES, SENSORS and ECM - A11LB27AA (49ATVELECT08SP400)
ELECTRICAL, TAILLIGHTS - A11LB27AA (49ATVTAILLAMPS08SP300)
ENGINE, AIR INTAKE SYSTEM - A11LB27AA (49ATVAIRBOX08SP300)
ENGINE, CARBURETOR LOWER - A11LB27AA (4999202079920207D06)
ENGINE, CARBURETOR UPPER - A11LB27AA (49ATVCARBUPPER08SP300)
ENGINE, CLUTCH - A11LB27AA (49ATVCLUTCH08SP300)
ENGINE, CRANKCASE - A11LB27AA (49ATVCRANKCASE08SP300)
ENGINE, CRANKSHAFT and PISTON - A11LB27AA (49ATVCRANKSHAFT08SP300)
ENGINE, CYLINDER - A11LB27AA (49ATVCYLINDER08SP300)
ENGINE, EXHAUST - A11LB27AA (49ATVEXHAUST07HAWK)
ENGINE, FUEL PUMP - A11LB27AA (4999200099920009D11)
ENGINE, MOUNTING - A11LB27AA (49ATVENGINEMTG10HAWK)
ENGINE, OIL SYSTEM and OIL PUMP - A11LB27AA (4999202079920207D08)
ENGINE, RECOIL STARTER - A11LB27AA (49ATVRECOIL08SP300)
ENGINE, SHORT BLOCK - A11LB27AA (49ATVENGINE08SP300)
ENGINE, STARTING SYSTEM - A11LB27AA (49ATVSTARTER08SP300)
ENGINE, VALVES and CAMSHAFT - A11LB27AA (49ATVVALVE08SP300)
REFERENCE, OWNERS MANUAL - A11LB27AA (49ATVOM07OTLW90)
STEERING, CONTROLS and THROTTLE - A11LB27AA (49ATVCONTROLS08HAWKINTL)
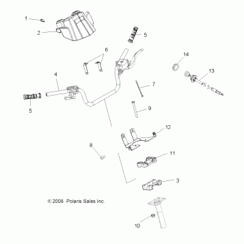
STEERING, HANDLEBAR and CONTROLS - A11LB27AA (49ATVHANDLEBAR09SP400)
STEERING, STEERING POST ASM. - A11LB27AA (49ATVSTEERING08HAWKINTL)
SUSPENSION, A-ARM and STRUT MOUNTING - A11LB27AA (49ATVAARM09SP400)
SUSPENSION, FRONT STRUT - A11LB27AA (49ATVSTRUT08SP300)
SUSPENSION, REAR - A11LB27AA (49ATVSUSPRR08SP300)
SUSPENSION, REAR SHOCKS - A11LB27AA (4999202079920207C06)
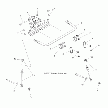
SUSPENSION, TORSION BAR - A11LB27AA (49ATVTORSION09HAWK)
WHEELS, FRONT - A11LB27AA (49ATVWHEELFRT08HAWKINTL)
WHEELS, REAR - A11LB27AA (49ATVWHEELREAR08SP300)
Fuel Your Passion
Parts That Keep You Riding
Edit ride