- Partiron
- OEM Parts
- Polaris
- Motorcycle
- VIC
- 2008
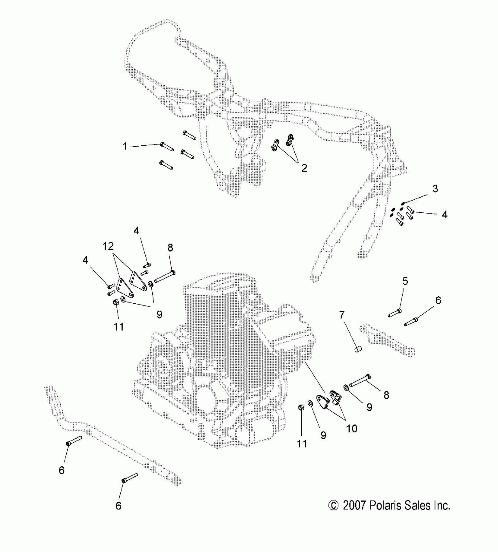
- HAMMER ALL OPTIONS - V08HB26/HS26
ENGINE, MOUNTING - V08HB26/HS26 ALL OPTIONS (49VICENGINEMTG08VEGAS)
Polaris HAMMER ALL OPTIONS - V08HB26/HS26 ENGINE, MOUNTING - V08HB26/HS26 ALL OPTIONS (49VICENGINEMTG08VEGAS) Diagram
#
Description
Price
1
SCREW
7517365
Unavailable
2
PLATE, NUT
1013889
Unavailable
4
SCREW
7518053
Unavailable
4
SCREW
7518053
Unavailable
4
SCREW
7518053
Unavailable
5
SCREW
7518146
Unavailable
6
SCREW
7518099
Unavailable
6
SCREW
7518099
Unavailable
6
SCREW
7518099
Unavailable
7
DOWEL
5133693
Unavailable
10
MOUNT, ENGINE, FRONT, ZNB [BLACK]
5135455-408
Unavailable
12
BRACKET, ENGINE MOUNT, REAR, ZNB [BLACK]
5246366-408
Unavailable
