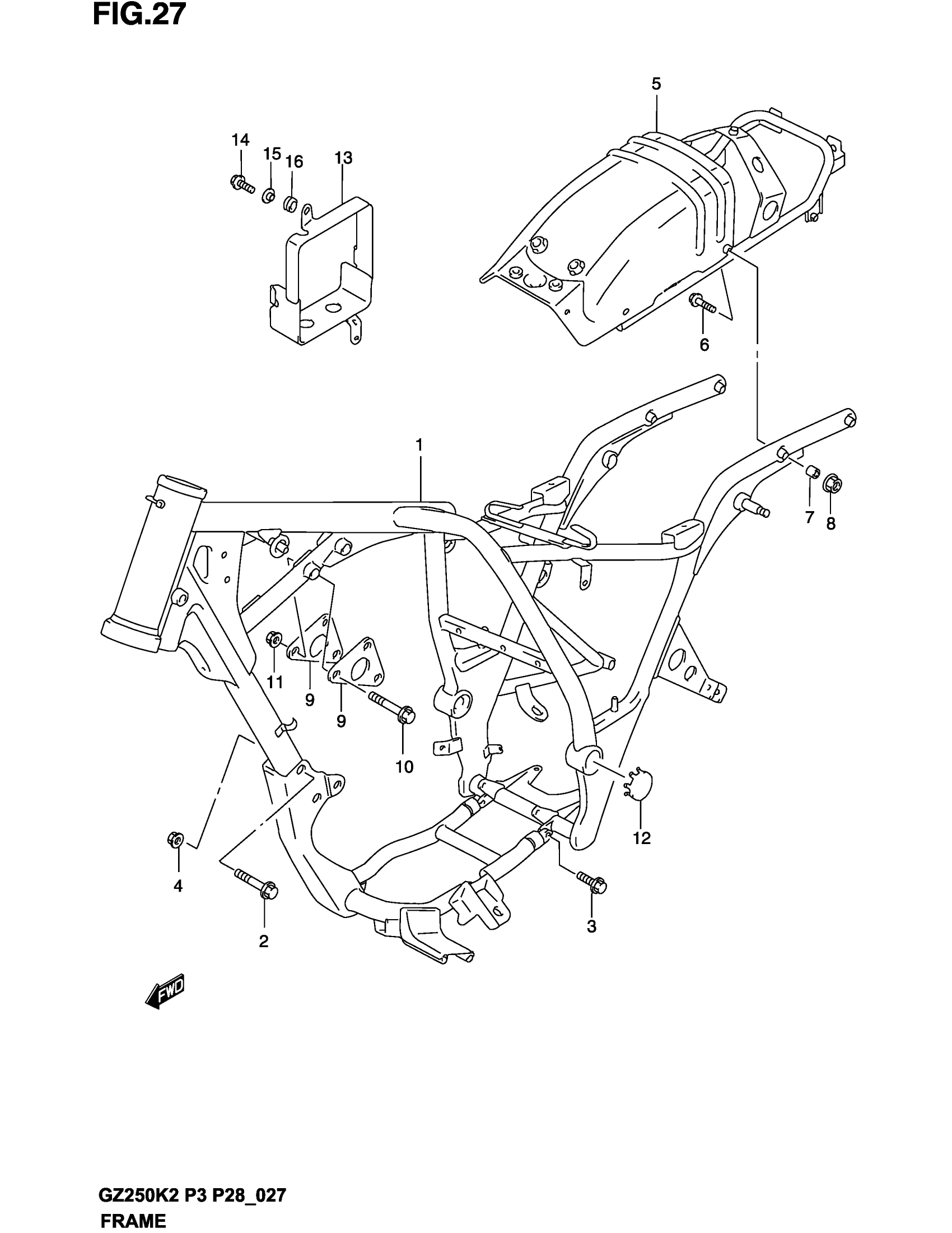
Suzuki GZ250 (2002) FRAME Diagram
#
Description
Price
1
FRAME (BLACK)
41100-13F01-EE3
Unavailable
5
BRACE, REAR FRAME This part replaces 41580-12F00.
41580-12FA0-EE3
Unavailable
9
PLATE, ENGINE MOUNT UPPER
41991-13F00
Unavailable
13
HOLDER, BATTERY (BLACK)
41540-12FA0-EE3
Unavailable
