- Partiron
- OEM Parts
- Suzuki
- Motorcycle
- 1986
- GV1200GLF (1986)
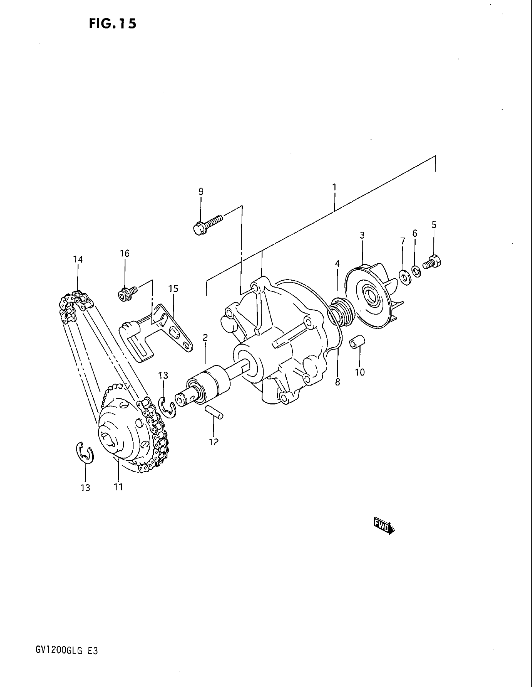
WATER PUMP
Suzuki GV1200GLF (1986) WATER PUMP Diagram
#
Description
Price
1
PUMP ASSY, WATER | MODEL F/F2 This part replaces 17400-05A00.
17400-24A00
Unavailable
1
PUMP ASSY, WATER | MODEL G; Includes Item(s) 2 - 8
17400-24A00
Unavailable
2
SHAFT, WATER PUMP
17510-05A00
Unavailable
3
INPELLER
17491-05A00
Unavailable
8
O RING
17435-05A00
Unavailable
10
PIN
04211-09209
Unavailable
11
SPROCKET, DRIVEN
17540-05A00
Unavailable
12
PIN
09261-05007
Unavailable
14
CHAIN ASSY, DRIVE
17520-05A00
Unavailable
15
NO DESCRIPTION AVAILABLE | MODEL F/F2 This part replaces 17560-05A01.
17560-05A02
Unavailable
