- Partiron
- OEM Parts
- Suzuki
- Motorcycle
- 1986
- GV1200GLF (1986)
RADIATOR HOSE - RESERVE TANK
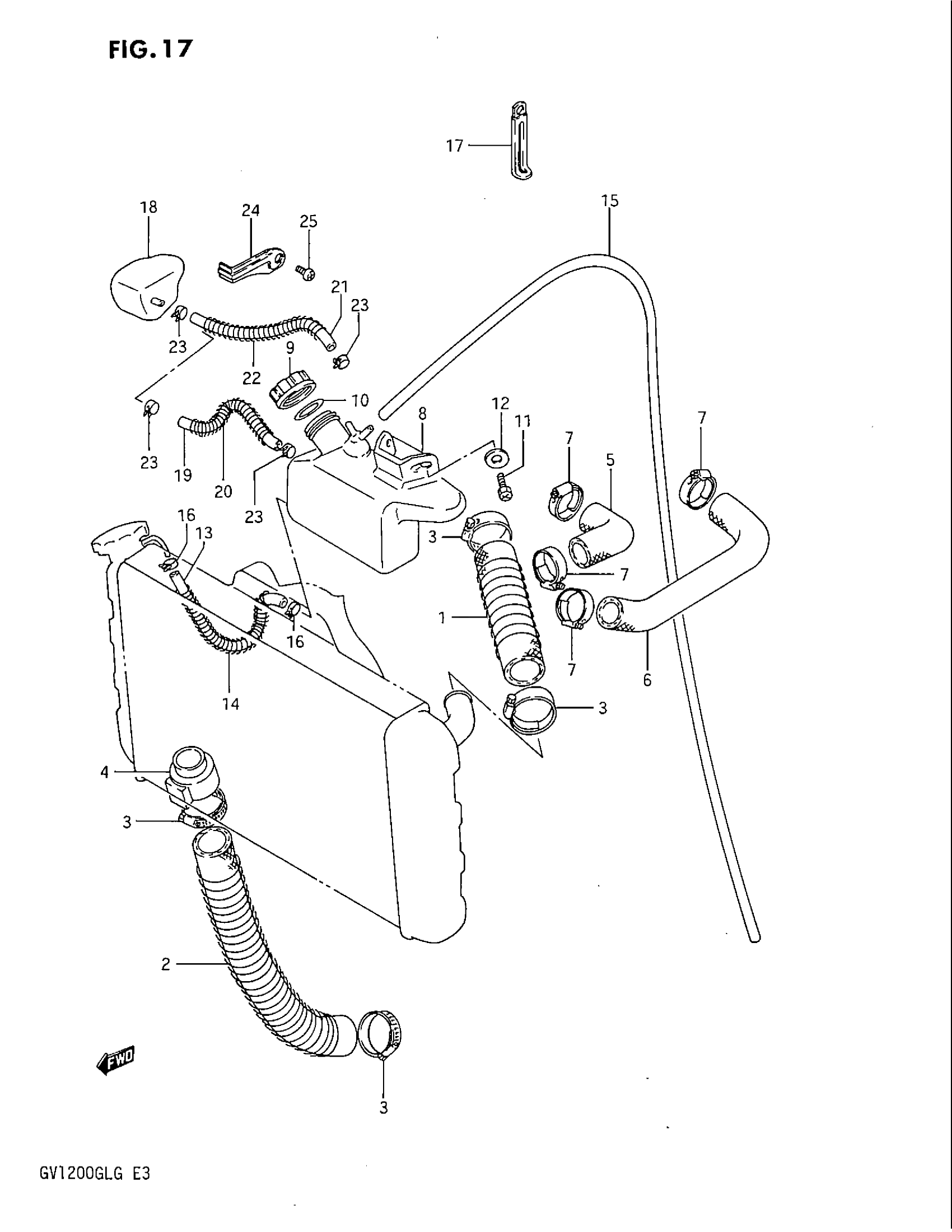
Suzuki GV1200GLF (1986) RADIATOR HOSE - RESERVE TANK Diagram
#
Description
Price
1
HOSE, RADIATOR INLET
17855-05A00
Unavailable
2
HOSE, RADIATOR OUTLET
17851-05A00
Unavailable
4
COVER, RADIATOR HOSE
17854-05A00
Unavailable
5
HOSE, THERMO FRONT
17655-05A00
Unavailable
6
HOSE, THERMO REAR | MODEL F/F2 This part replaces 17651-05A00.
17651-05A01
Unavailable
6
HOSE, THERMO REAR | MODEL G
17651-05A01
Unavailable
8
TANK, RESERVE
17911-05A10
Unavailable
9
CAP
17845-13700
Unavailable
10
GASKET
17844-13700
Unavailable
13
HOSE, INLET
17981-05A00
Unavailable
14
SPRING
09440-10025
Unavailable
18
TANK, RESERVE SUB
17912-05A00
Unavailable
19
HOSE, INLET
17986-05A00
Unavailable
20
SPRING
09440-10024
Unavailable
21
HOSE, OUTLET
17987-05A00
Unavailable
24
NO DESCRIPTION AVAILABLE This part replaces 17919-05A01.
17919-05A02
Unavailable
