GTX RFI, 5524/5525/5553/5555, 2001
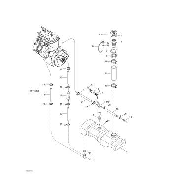
01- Cooling System
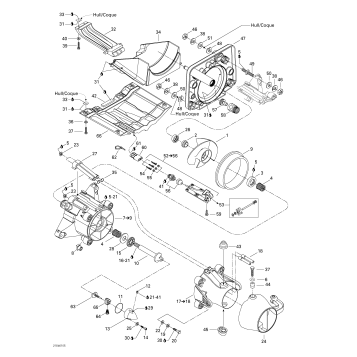
01- Crankcase And Rotary Valve
01- Crankshaft And Pistons
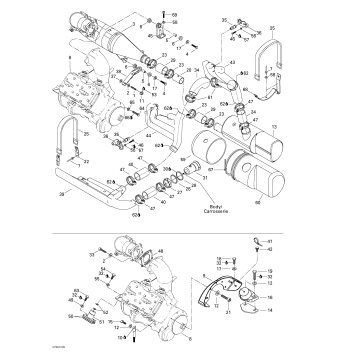
01- Cylinder, Exhaust Manifold
01- Engine Support And Muffler
02- Air Intake System
02- Fuel System
02- Oil Injection System
03- Magneto, Oil Pump
04- Starter
05- Drive System
05- Propulsion System
05- Reverse
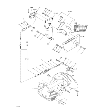
07- Steering System
09- Body, Front View
09- Body, Rear View
09- Decals
09- Front Storage Compartment
09- Seat And Engine Cover
10- Electrical Box And Battery
10- Electrical Harness
10- Electronic Module And Electrical Accessories
10- Typical Electrical Connections
Fuel Your Passion
Parts That Keep You Riding
Edit ride