- Partiron
- OEM Parts
- Sea-doo
- Watercraft
- 1998
- GTX Limited
- GTX RFI, 5666/5843, 1998
Oil Injection System
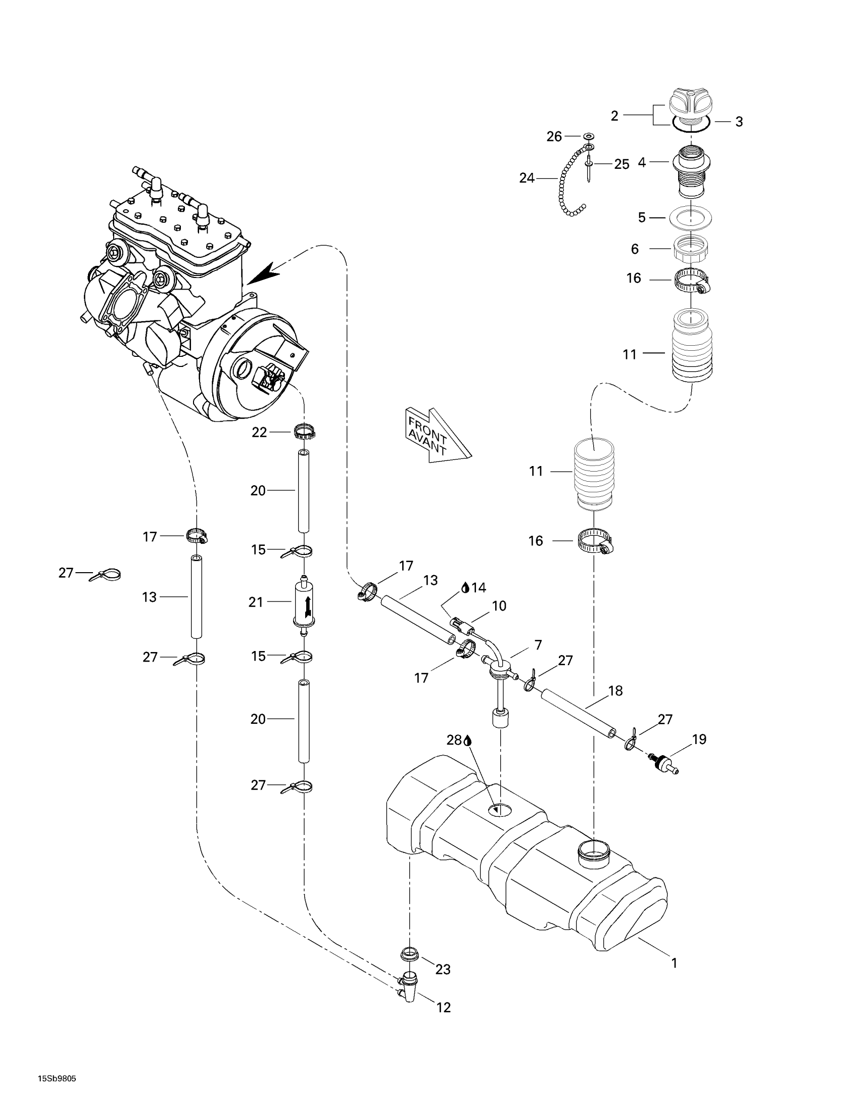
Sea-doo GTX RFI, 5666/5843, 1998 Oil Injection System Diagram
#
Description
Price
2
Oil Cap
275000186
Unavailable
3
O-RING - Call your local BRP dealership
293250025
Unavailable
4
Filler Neck
275000212
Unavailable
5
Gasket
293250016
Unavailable
6
Nut-Neck Oil Filler
211100013
Unavailable
7
OIL LEVEL SENSOR ASS'Y - Call your local BRP dealership | Includes 33 - 36.
204470106
Unavailable
11
Filler Hose
275000185
Unavailable
12
FITTING ELBOW 90 - Call your local BRP dealership
293710051
Unavailable
18
HOSE-6MM. 5000MM LONG - Call your local BRP dealership
219704396
Unavailable
21
OIL FILTER - Call your local BRP dealership
275000051
Unavailable
24
Oil Cap Chain
275500015
Unavailable
OIL 2T CARB PREM. MINERAL 55 GAL/205L This part replaces 413803200.
779123
Unavailable
SYNTHETIC INJECTION OIL, 12 X 1 LITER - Call your local BRP dealership
413710500
Unavailable
OIL 2T 3X1G SYNTH - Call your local BRP dealership This part replaces 293600046.
293600133
Unavailable
OIL 2T E-TEC SYNTHETIC 55 GAL/205L This part replaces 293600047.
779130
Unavailable
