- Partiron
- OEM Parts
- Sea-doo
- Watercraft
- 1998
- GTX Limited
- GTX Limited, 5837/5842, 1998
Cylinder, Exhaust Manifold
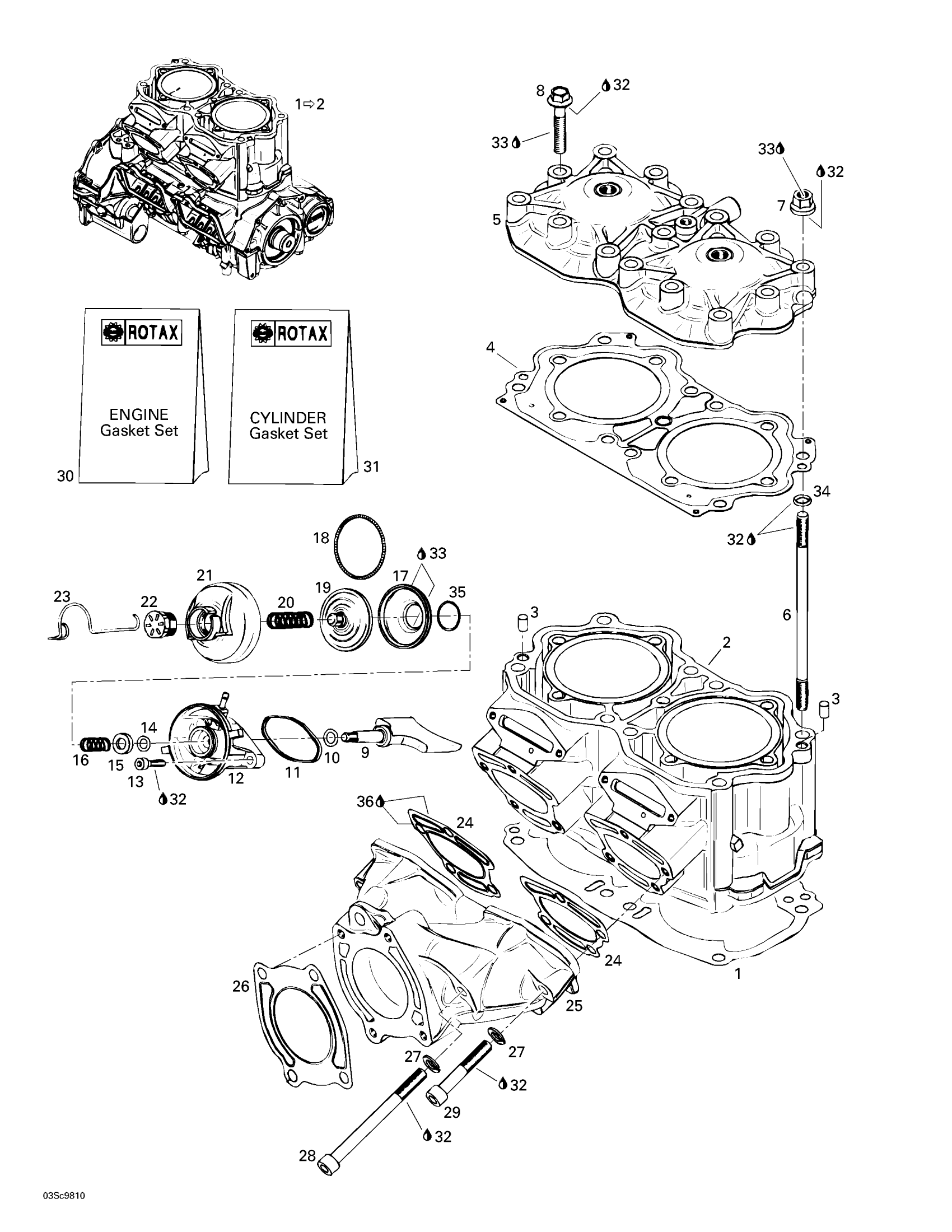
Sea-doo GTX Limited, 5837/5842, 1998 Cylinder, Exhaust Manifold Diagram
#
Description
Price
1
Short Block Ass'y | Includes 1 - 9.
290094702
Unavailable
1
Gasket Cylinder 0.8 mm
290931687
Unavailable
Gasket Cylinder 0.6 mm
290931686
Unavailable
Gasket Cylinder 0.5 mm
290931685
Unavailable
2
Cylinder with Sleeve (Silver)
290923569
Unavailable
4
CYLINDER HEAD GASKET 947 - Call your local BRP dealership
420931702
Unavailable
5
Head Cylinder (Silver)
290923584
Unavailable
6
STUD M10 X 206 - Call your local BRP dealership
290640237
Unavailable
7
Stud Nut M10
290842863
Unavailable
8
Screw Hex. Flange M10 x 60
290841708
Unavailable
9
Exhaust Valve
290854410
Unavailable
11
Rubber Gasket
290931670
Unavailable
12
Valve Housing
290854435
Unavailable
15
Support Ring
290926220
Unavailable
16
COMPRESSION SPRING - Call your local BRP dealership
420838260
Unavailable
19
Exhaust Valve
290854445
Unavailable
20
Compression Spring
290939137
Unavailable
23
SPRING CLIP - Call your local BRP dealership
420838083
Unavailable
24
Gasket
293250081
Unavailable
25
Exhaust Manifold (Silver)
290979604
Unavailable
26
Gasket
293250080
Unavailable
28
Socket Head Screw M10 x 110
290941483
Unavailable
29
Allen Screw M10 x 60
215906060
Unavailable
30
ENGINE GASKET SET (NOT SHOWN) - Call your local BRP dealership
290888131
Unavailable
31
Cylinder Gasket Set (Not Shown)
290888136
Unavailable
34
O-RING - Call your local BRP dealership
290850460
Unavailable
