- Partiron
- OEM Parts
- Sea-doo
- Watercraft
- 1997
- GTX
- GTX, 5642, 1997
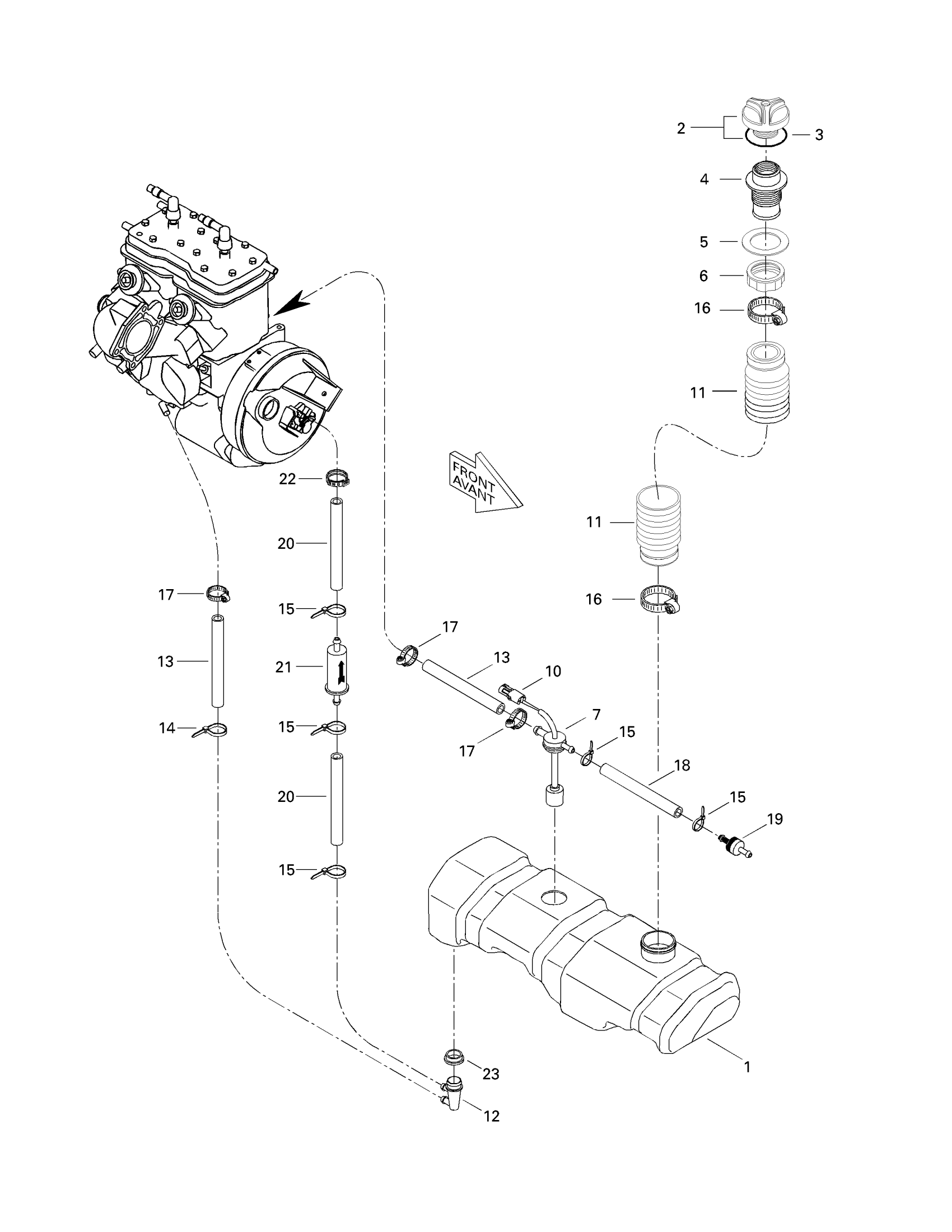
Oil Injection System
Sea-doo GTX, 5642, 1997 Oil Injection System Diagram
#
Description
Price
2
Oil Tank Cap
275000199
Unavailable
3
O-RING - Call your local BRP dealership
293250025
Unavailable
4
Filler Neck
275000212
Unavailable
5
Gasket
293250016
Unavailable
6
Nut-Neck Oil Filler
211100013
Unavailable
7
Oil Level Sensor
278000478
Unavailable
11
Filler Hose
275000185
Unavailable
12
FITTING ELBOW 90 - Call your local BRP dealership
293710051
Unavailable
21
OIL FILTER - Call your local BRP dealership
275000051
Unavailable
24
Grommet
204470104
Unavailable
25
Oil Cap Chain
275500015
Unavailable
