- Partiron
- OEM Parts
- Yamaha
- motorcycle
- 1994
- GTS1000AFC (GTS1000A CA) 1994
REAR MASTER CYLINDER
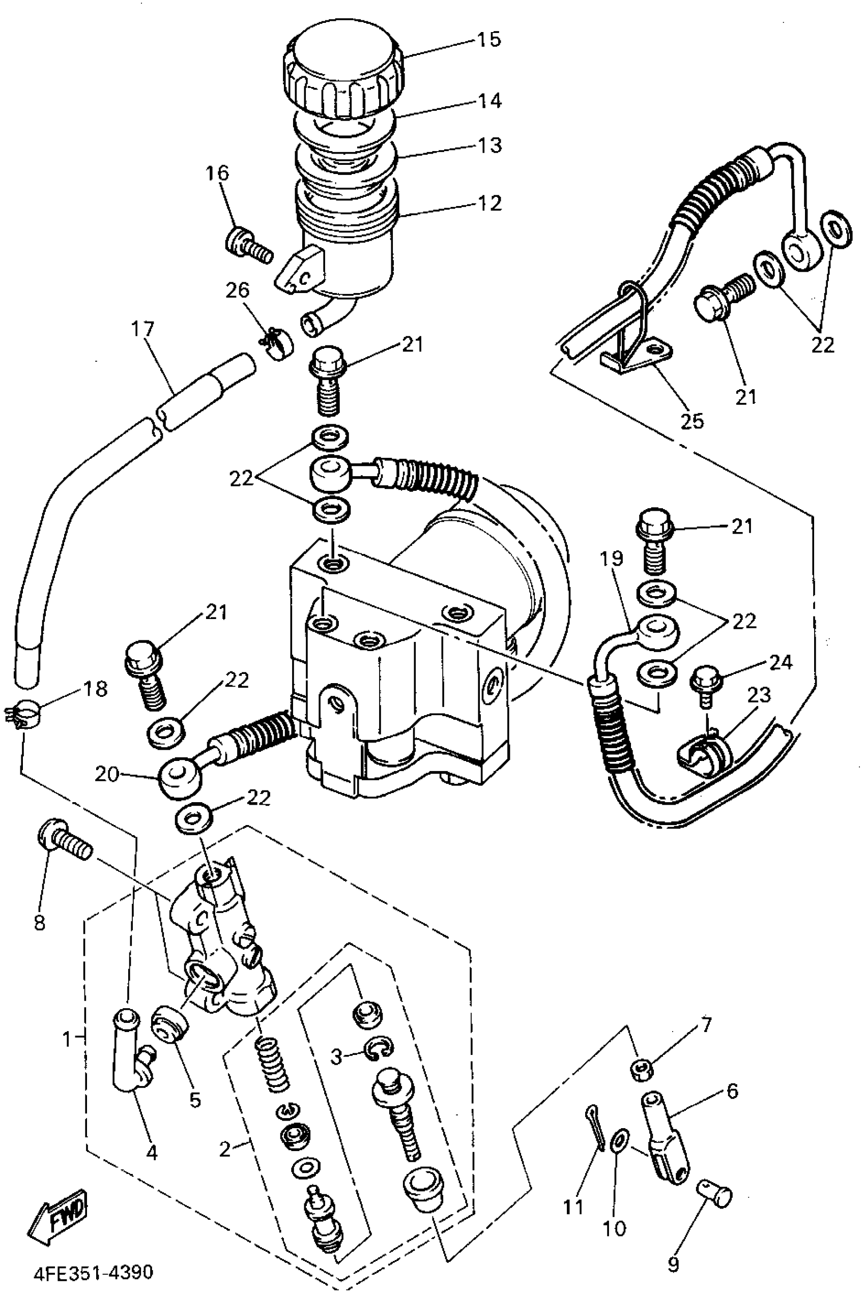
Yamaha GTS1000AFC (GTS1000A CA) 1994 REAR MASTER CYLINDER Diagram
#
Description
Price
1
RR. MASTER CYLINDER ASSY.
4BH-2583V-00-00
Unavailable
2
CYLINDER KIT, MASTER
4BH-W0042-50-00
Unavailable
5
O-RING
4BP-2585F-01-00
Unavailable
7
. NUT
95380-08700-00
Unavailable
8
SCREW, ROUND HEAD
90150-08034-00
Unavailable
12
TANK, RESERVOIR
47X-25894-00-00
Unavailable
16
SCREW, WITH WASHER (5U8)
90159-06056-00
Unavailable
17
HOSE, RESERVOIR
4BH-25895-00-00
Unavailable
18
CLIP (5K4)
90467-14057-00
Unavailable
19
HOSE, BRAKE 6
4FE-2582J-02-00
Unavailable
20
HOSE, BRAKE 7
4FE-2582K-01-00
Unavailable
21
BOLT, UNION(3GM)
90401-10159-00
Unavailable
22
WASHER, PLATE(481)
90201-10118-00
Unavailable
23
HOLDER, BRAKE HOSE 1
3XV-25875-00-00
Unavailable
24
BOLT, WASHER BASED(JA9)
90105-06696-00
Unavailable
25
HOLDER, BRAKE HOSE
4BH-25886-10-00
Unavailable
26
CLIP(MG5)
90467-14117-00
Unavailable
