- Partiron
- OEM Parts
- Yamaha
- motorcycle
- 1994
- GTS1000AFC (GTS1000A CA) 1994
ELECTRICAL 3
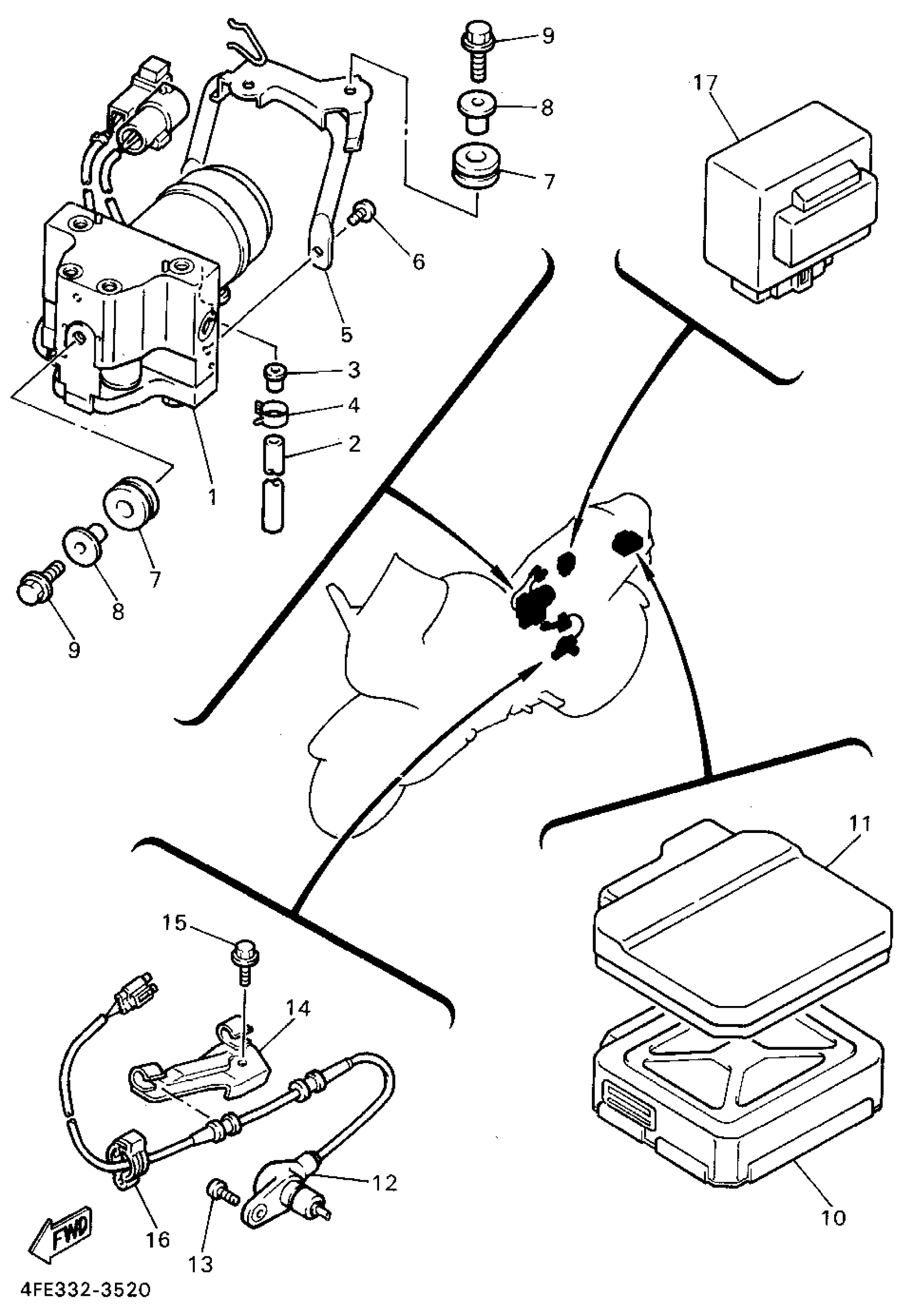
Yamaha GTS1000AFC (GTS1000A CA) 1994 ELECTRICAL 3 Diagram
#
Description
Price
1
HYDRAULIC UNIT ASY
4FE-85930-01-00
Unavailable
3
COLLAR
90387-0401T-00
Unavailable
5
STAY 3
4FE-2142J-00-00
Unavailable
8
COLLAR
90387-081F5-00
Unavailable
10
ELECTRONIC CONTROL UNIT ASSEMBLY
4FE-85940-00-00
Unavailable
11
COVER, CASE
4FE-8552E-00-00
Unavailable
12
WHEEL SENSOR ASSEMBLY, REAR
4FE-85980-00-00
Unavailable
14
HOLDER, CABLE 1
4FE-23318-00-00
Unavailable
16
CLAMP(1NL)
90465-14310-00
Unavailable
17
RELAY ASSY (3YA-01)
3YA-81950-01-00
Unavailable
