- Partiron
- OEM Parts
- Yamaha
- motorcycle
- 1993
- GTS1000AEC (GTS1000A CA) 1993
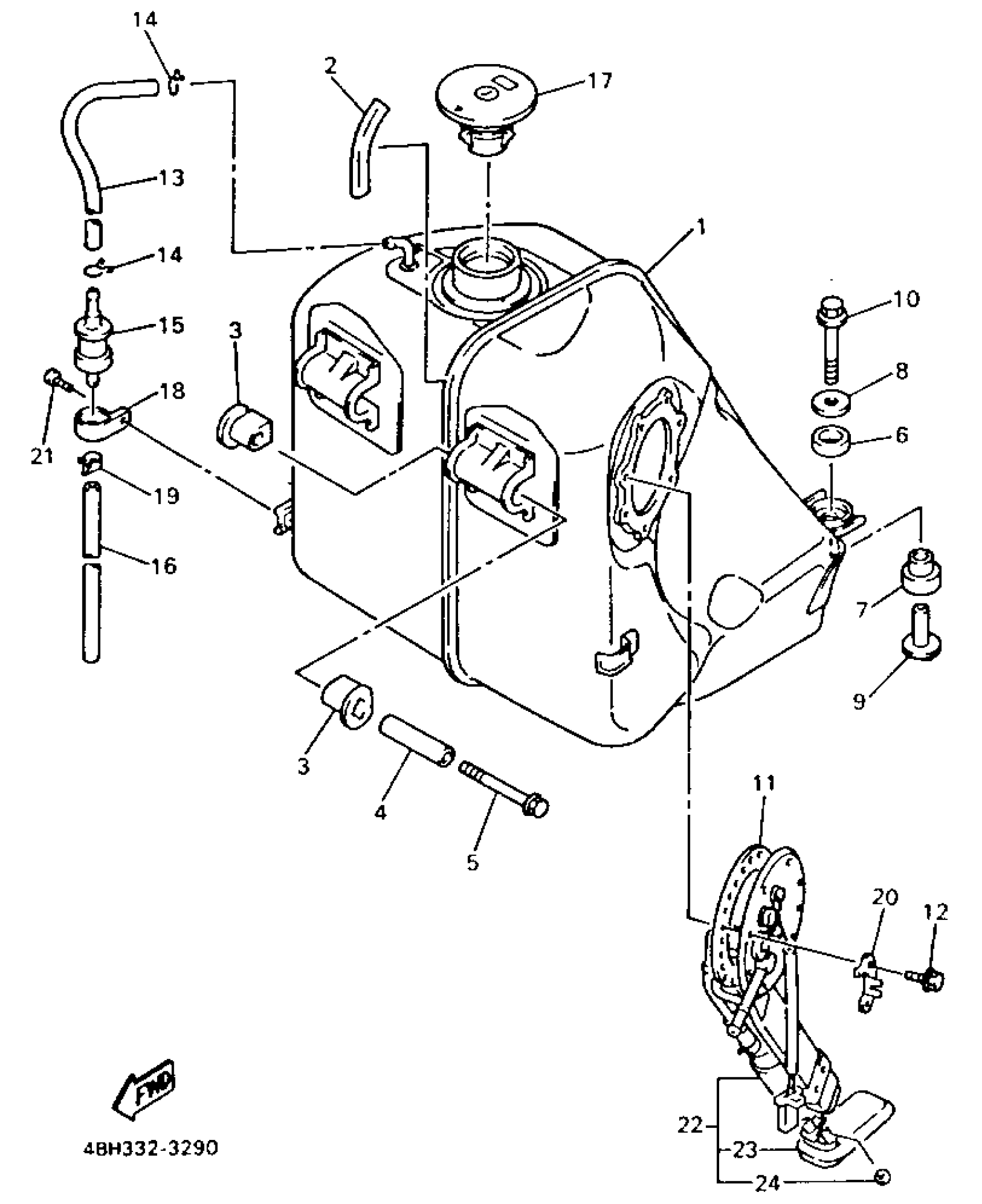
FUEL TANK NON CALIFORNIA MODEL
Yamaha GTS1000AEC (GTS1000A CA) 1993 FUEL TANK NON CALIFORNIA MODEL Diagram
#
Description
Price
1
FUEL TANK COMP.
4BH-24110-00-00
Unavailable
2
MOLD, FUEL TANK
1HX-24188-01-00
Unavailable
3
DAMPER, LOCATING 1
4BH-24181-00-00
Unavailable
4
COLLAR
90387-06380-00
Unavailable
6
DAMPER, LOCATING 3
4BH-24183-00-00
Unavailable
7
GROMMET
90480-10570-00
Unavailable
9
COLLAR
90387-0801N-00
Unavailable
11
SEAL
4BH-2414G-00-00
Unavailable
15
ROLL OVER VALVE ASSY
25H-24180-00-00
Unavailable
16
HOSE (L730)
90445-105K7-00
Unavailable
17
CAP ASSEMBLY
3HE-24602-00-00
Unavailable
18
CLAMP
90464-15014-00
Unavailable
19
CLIP
90467-10038-00
Unavailable
20
CLAMP, FUEL PIPE 1
4BH-24366-00-00
Unavailable
21
SCREW, PAN HEAD(62X)
97885-05010-00
Unavailable
22
FUEL PUMP COMP.
4BH-13907-00-00
Unavailable
23
. FILTER
4BH-13939-00-00
Unavailable
24
. WASHER
4BH-13995-00-00
Unavailable
