Partiron

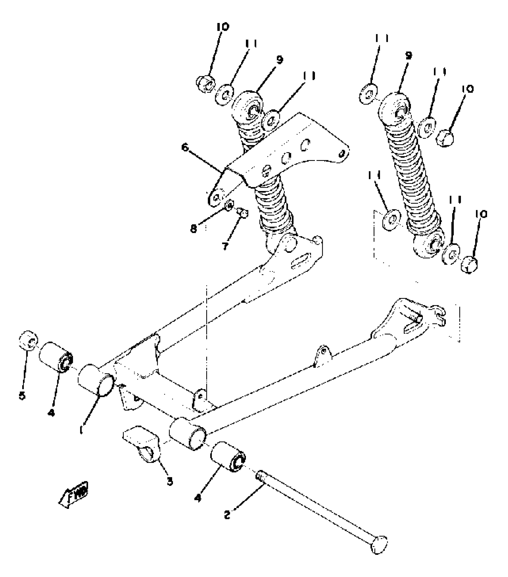
Yamaha GTMXE (GTMX) 1978 REAR ARM - REAR CUSHION - CHAIN CASE Diagram

#

Description
Price

1

REAR ARM

(367-22110-00-33)

Unavailable

2

SHAFT, PIVOT

288-22141-00-00

$45.99

3

SEAL, GUARD

183-22151-00-00

$8.99

4

BUSH 1

102-22123-00-00

Unavailable

5

NUT(3BM)

95314-10600-00

$2.39

6

CASE, CHAIN

288-22311-00-33

Unavailable

7

SCREW, PAN HEAD(62X)

97885-05010-00

Unavailable

8

YBS67-5 WASHER, SPRING

92990-05100-00

$0.35

9

SHK/ABS ASSEMBLY, REAR

367-22210-21-00

Unavailable

10

NUT, CROWN(3BM)

90176-10073-00

$8.49

11

WASHER, PLATE(3BM)

90201-105R9-00

$9.49