- Partiron
- OEM Parts
- Yamaha
- motorcycle
- 1976
- GTMXC (GTMX) 1976
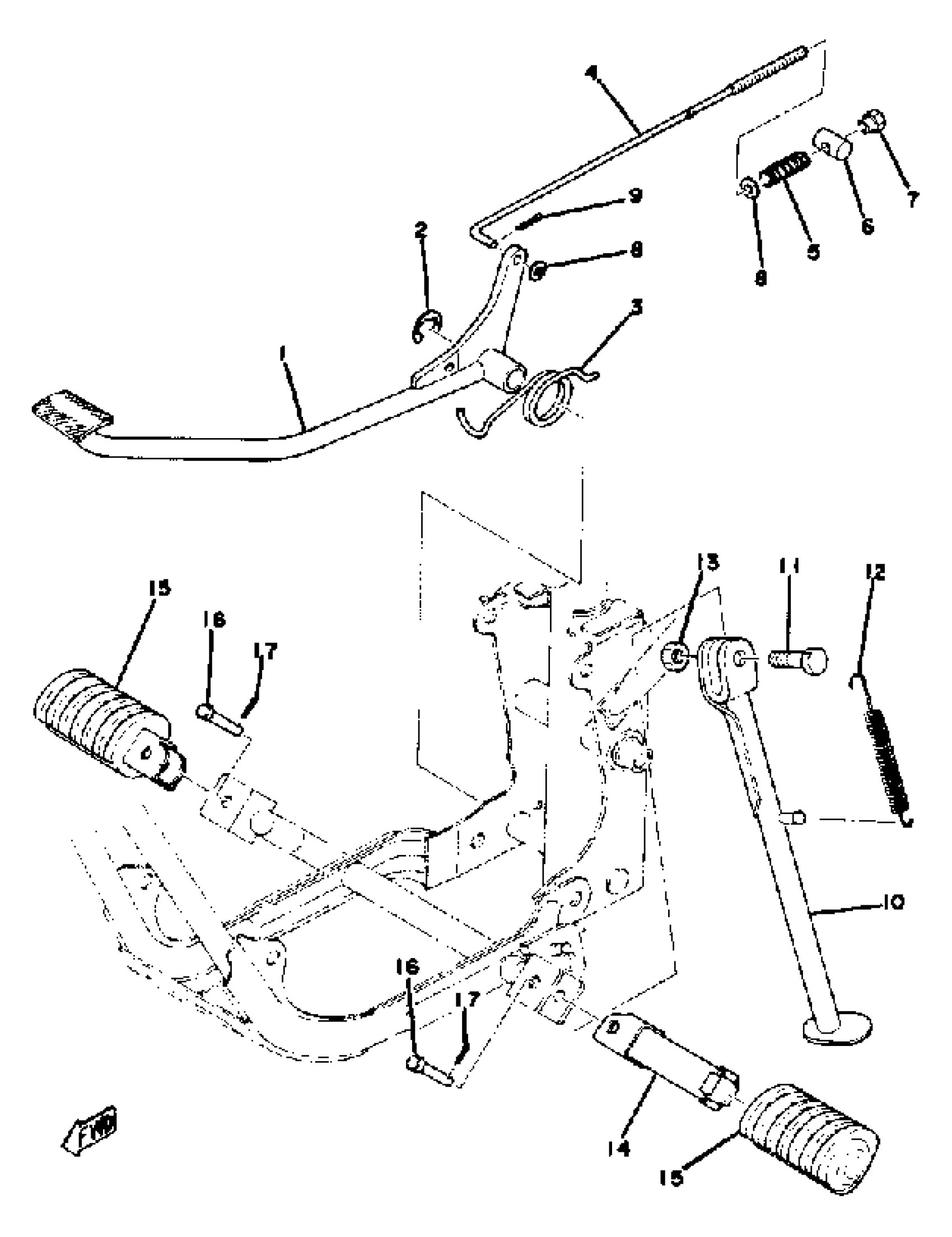
STAND - FOOTREST - BRAKE PEDAL
Yamaha GTMXC (GTMX) 1976 STAND - FOOTREST - BRAKE PEDAL Diagram
#
Description
Price
1
PEDAL, BRAKE
2F4-27211-00-R4
Unavailable
4
ROD, BRAKE
288-27231-00-00
Unavailable
10
STAND, SIDE
367-27311-02-R4
Unavailable
16
PIN, CLEVIS (2A6)
91701-08038-00
Unavailable
