- Partiron
- OEM Parts
- Yamaha
- motorcycle
- 1976
- GTMXC (GTMX) 1976
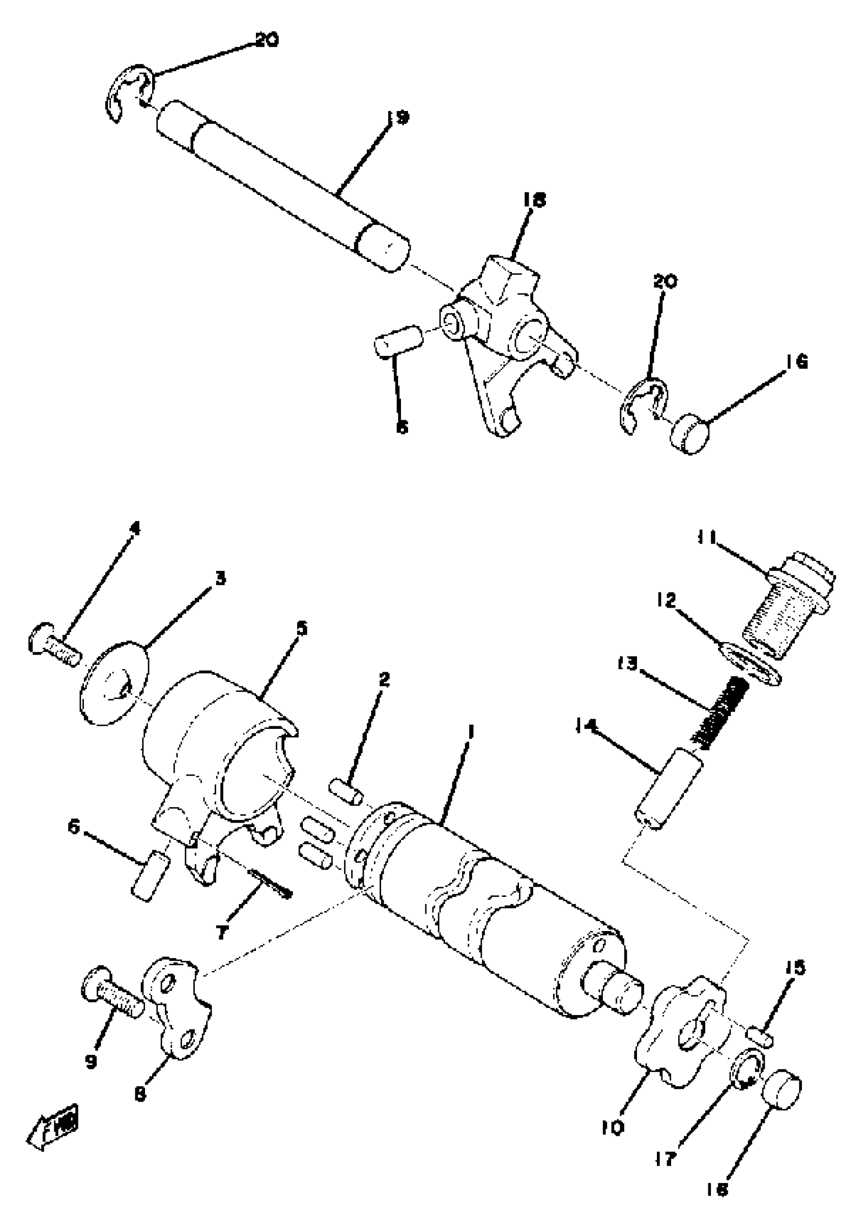
SHIFTER 1
Yamaha GTMXC (GTMX) 1976 SHIFTER 1 Diagram
#
Description
Price
1
SHIFT CAM ASSY
4U1-18540-00-00
Unavailable
3
PLATE, SIDE 1
214-18561-00-00
Unavailable
5
FORK, SHIFT 1
353-18511-01-00
Unavailable
8
PLATE, STOPPER 2
353-18562-00-00
Unavailable
9
SCREW, OVAL HEAD (92701-06012)
98603-06012-00
Unavailable
10
PLATE, STOPPER
(374-18141-00-00)
Unavailable
13
SPRING, COMPRESSION
90501-09292-00
Unavailable
14
STOPPER, CAM
353-18547-00-00
Unavailable
16
PLUG, STRAIGHT
90334-12009-00
Unavailable
17
CIRCLIP, OUTER
93440-12026-00
Unavailable
18
FORK, SHIFT 2
353-18512-01-00
Unavailable
19
BAR, SHIFT FORK GUIDE 1
214-18531-00-00
Unavailable
20
CIRCLIP
99006-10600-00
Unavailable
