- Partiron
- OEM Parts
- Yamaha
- motorcycle
- 1973
- GTMX (GTMX) 1973
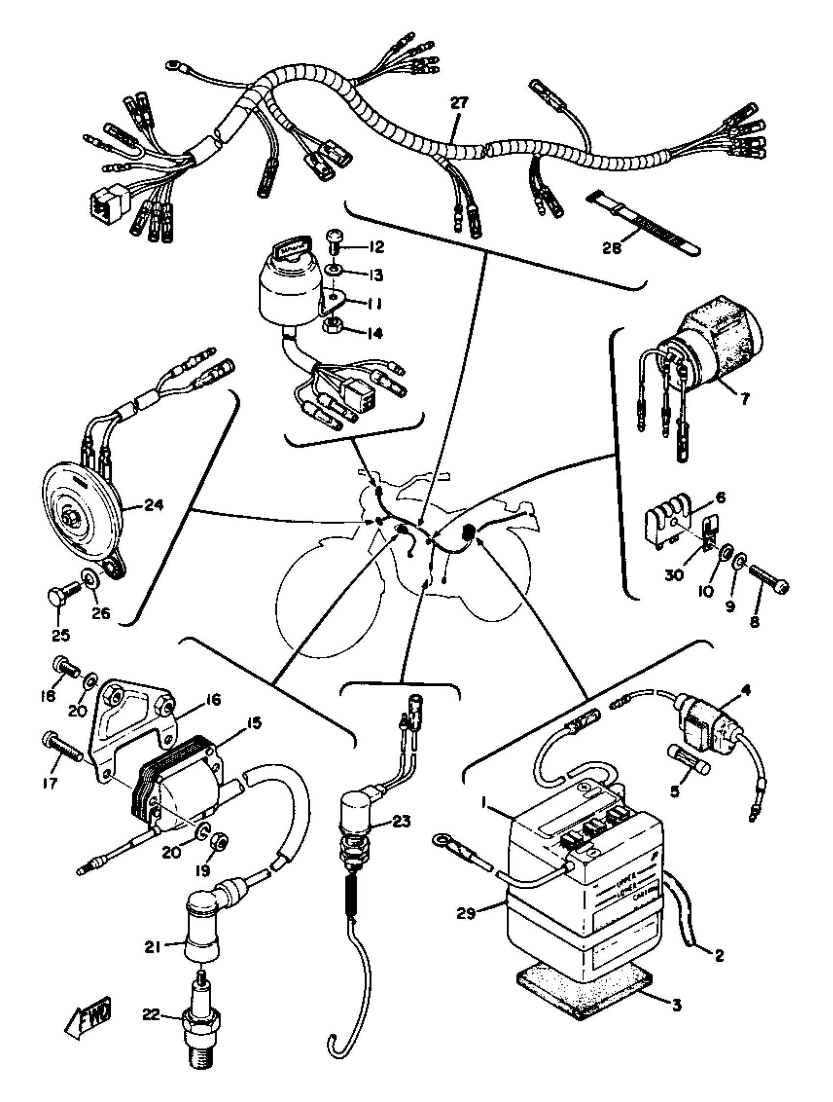
ELECTRICAL
Yamaha GTMX (GTMX) 1973 ELECTRICAL Diagram
#
1
6N4-2A-2 GS BATTERY
6N4-2A200-00-00
Unavailable
2
HOSE
90445-08172-00
Unavailable
6
RECTIFIER ASSY
353-81970-M2-00
Unavailable
7
FLASHER RELAY ASSEMBLY
368-83350-61-00
Unavailable
8
SCREW, PAN HEAD
98580-05020-00
Unavailable
10
. WASHER, PLAIN
92990-05200-00
Unavailable
11
MAIN SWITCH ASSEMBLY
(338-82508-20-00)
Unavailable
11
MAIN SWITCH ASSEMBLY
393-82508-21-00
Unavailable
12
SCREW, PAN HEAD(62J)
97885-06012-00
Unavailable
13
WASHER, SPRING
92995-06100-00
Unavailable
14
NUT, HEXAGON
95380-06600-00
Unavailable
15
IGNITION COIL ASSEMBLY
206-82310-41-00
Unavailable
15
IGNITION COIL ASSY
355-82310-40-00
Unavailable
16
BRACKET, IGNITION COIL
336-82316-01-00
Unavailable
17
SCREW, PAN HEAD (76T)
98517-06025-00
Unavailable
18
SCREW, PAN HEAD(62J)
97885-06012-00
Unavailable
19
NUT, HEXAGON
95380-06600-00
Unavailable
20
WASHER, SPRING
92995-06100-00
Unavailable
21
PLUG CAP ASSY
56J-82370-00-00
Unavailable
22
B7HS NGK 4PK
B7H-S0000-00-00
Unavailable
23
STOP SWITCH ASSEMBLY
353-82530-03-00
Unavailable
24
HORN
2A7-83371-10-00
Unavailable
25
BOLT (661)
97013-06012-00
Unavailable
26
WASHER, SPRING
92995-06100-00
Unavailable
27
WIRE HARNESS ASSEMBLY
(368-82590-21-00)
Unavailable
28
BAND, SWITCH CORD
437-83936-11-00
Unavailable
29
BAND, BATTERY
(308-82124-00-00)
Unavailable
30
CLAMP(4MX)
90465-06376-00
Unavailable
