- Partiron
- OEM Parts
- Yamaha
- motorcycle
- 1973
- GTMX (GTMX) 1973
CRANKCASE - CYLINDER
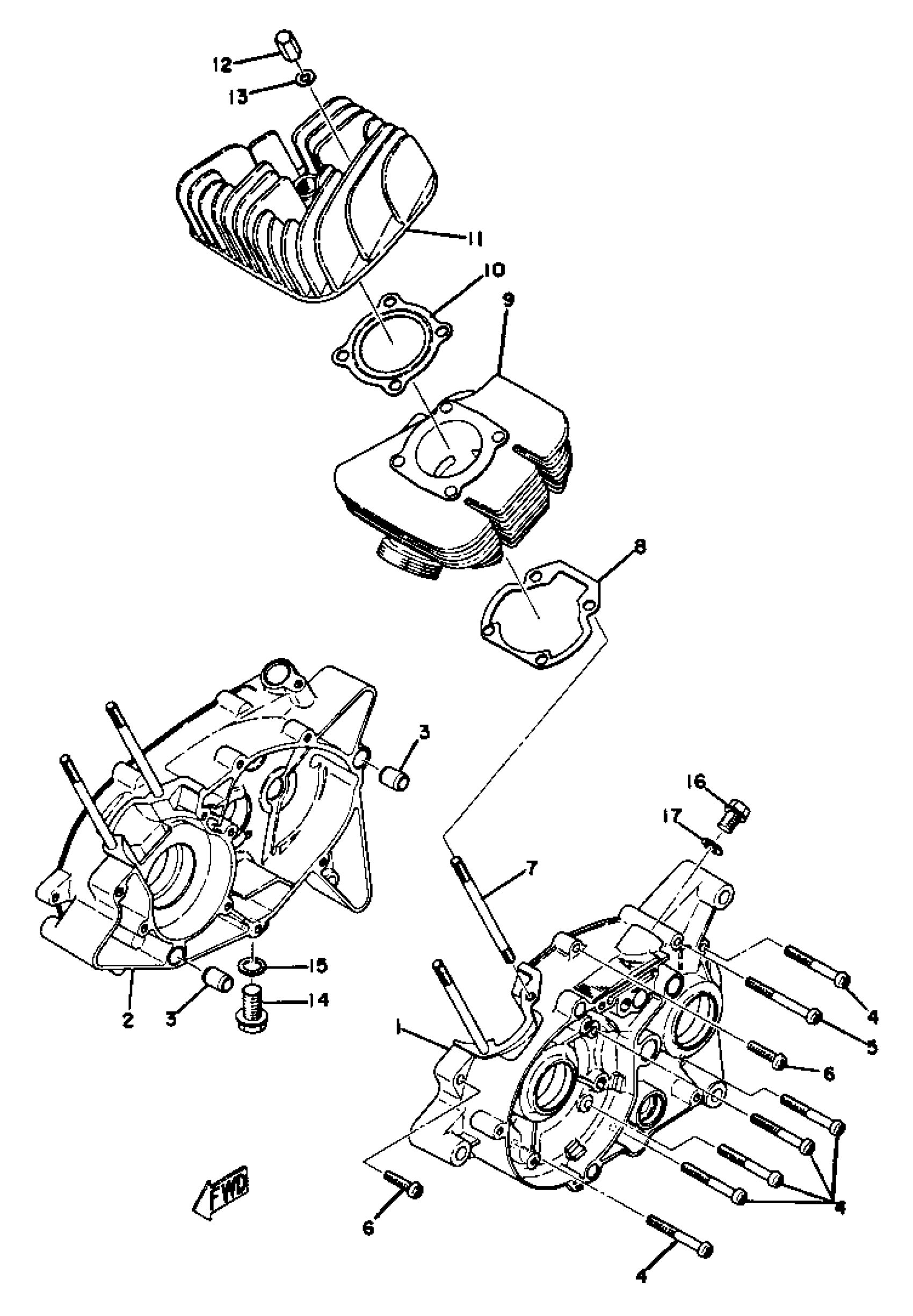
Yamaha GTMX (GTMX) 1973 CRANKCASE - CYLINDER Diagram
#
Description
Price
1
CRANKCASE 1
(367-15111-01-98)
Unavailable
1
CRANKCASE 1
(374-15111-00-00)
Unavailable
2
CRANKCASE 2
367-15121-07-00
Unavailable
2
CRANKCASE 2
374-15121-02-00
Unavailable
5
SCREW, PANHED (GC2)
98580-06555-00
Unavailable
9
CYLINDER 1
367-11311-00-00
Unavailable
11
HEAD, CYLINDER 1
367-11111-01-R4
Unavailable
11
HEAD, CYLINDER
374-11111-00-00
Unavailable
13
YBS66-6 WASHER, PLAIN
92990-06200-00
Unavailable
14
PLUG STRAIGTSCREW 132153510000
90340-12005-00
Unavailable
15
GASKET (3JD1)
90430-12207-00
Unavailable
16
PLUG STRAIGTSCREW 367185880000
90340-10003-00
Unavailable
17
GASKET (5R6)
90430-10171-00
Unavailable
