- Partiron
- OEM Parts
- Yamaha
- motorcycle
- 1973
- GTMX (GTMX) 1973
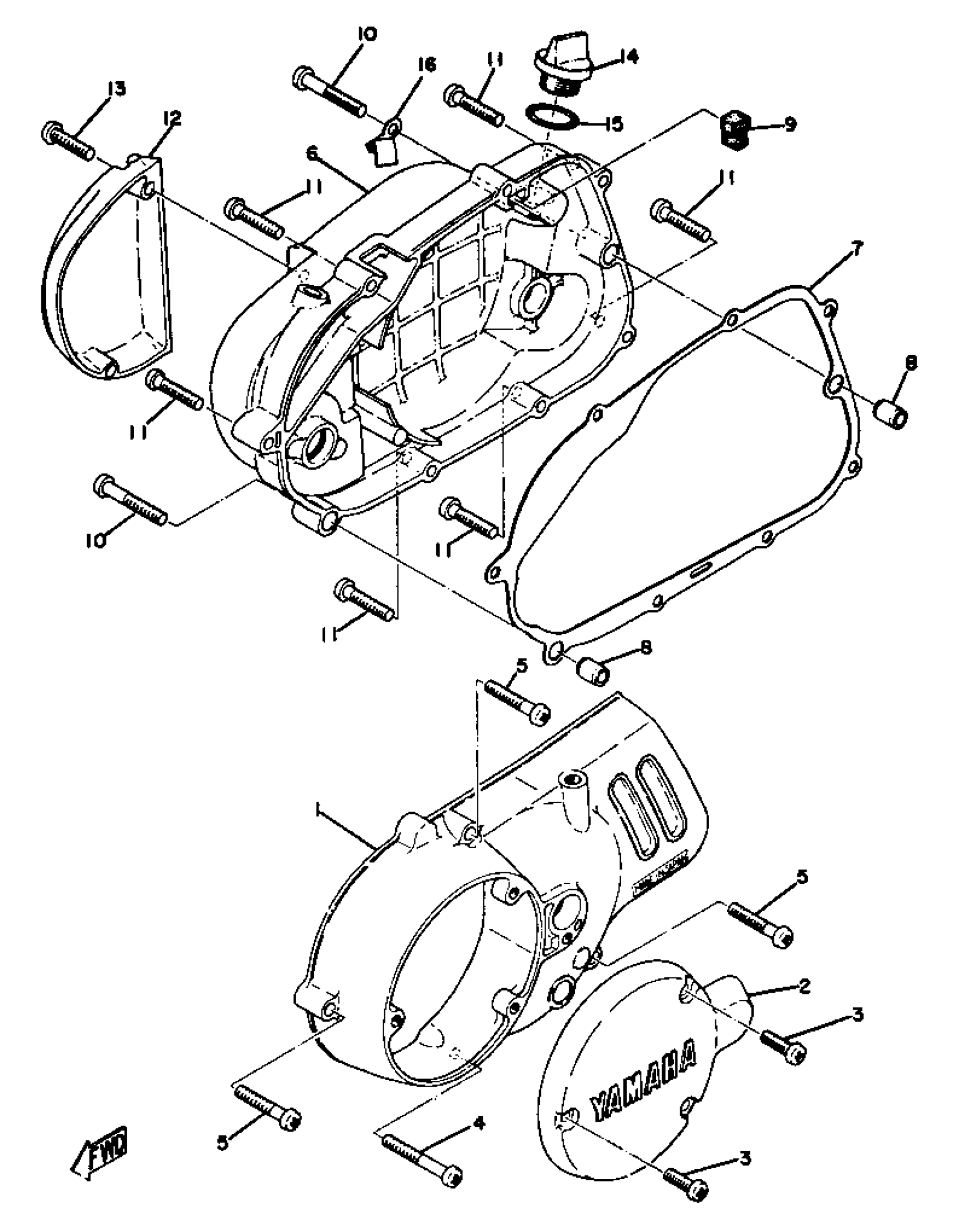
CRANKCASE COVER
Yamaha GTMX (GTMX) 1973 CRANKCASE COVER Diagram
#
Description
Price
1
COVER, CRANKCASE L
353-15411-00-98
Unavailable
1
COVER, CRANKCASE L (353-15411-00-Y4)
353-15411-00-Y4
Unavailable
2
COVER, GENERATOR
353-15415-00-98
Unavailable
2
COVER, GENERATOR
353-15415-00-Y4
Unavailable
5
SCREW, PAN
98517-06030-00
Unavailable
5
SCREW, PAN HEAD(6E0)
97885-06030-00
Unavailable
6
COVER, CRANKCASE R
353-15421-00-00
Unavailable
6
COVER, CRANKCASE R
353-15421-09-00
Unavailable
9
SCRAPER, OIL
353-15437-02-00
Unavailable
10
SCREW, PAN
98507-06040-00
Unavailable
10
SCREW PAN HEAD
98580-06040-00
Unavailable
11
SCREW, PAN
98517-06030-00
Unavailable
11
SCREW, PAN HEAD(6E0)
97885-06030-00
Unavailable
12
COVER, OIL PUMP
353-15416-00-00
Unavailable
12
COVER, OIL PUMP
(353-15416-00-98)
Unavailable
13
SCREW, PAN HEAD (76T)
98517-06025-00
Unavailable
13
SCREW, PAN HEAD (76T)
98517-06025-00
Unavailable
14
PLUG, OIL
3Y1-15363-10-00
Unavailable
15
O-RING
93210-21190-00
Unavailable
16
HOLDER, OIL PIPE
367-13174-00-00
Unavailable
