- Partiron
- OEM Parts
- Sea-doo
- Watercraft
- 2003
- GTI
- GTI LE RFI, 6103/6104, 2003
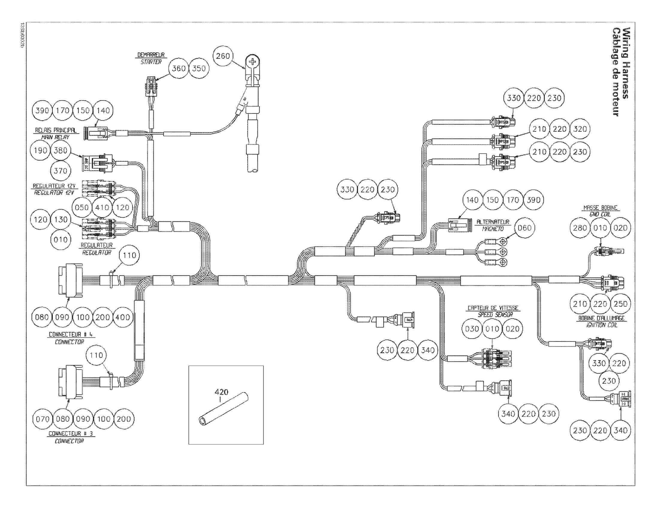
Wiring Harness
Sea-doo GTI LE RFI, 6103/6104, 2003 Wiring Harness Diagram
#
Description
Price
10
Wiring Harness | Includes 10 à 420
278001800
Unavailable
60
OPEN BARREL - Call your local BRP dealership
409003200
Unavailable
70
MALE TERMINAL HOUSING, 26 CIRCUITS - Call your local BRP dealership
278001063
Unavailable
80
FEMALE TERMINAL - Call your local BRP dealership
278000995
Unavailable
90
FEMALE TERMINAL - Call your local BRP dealership
409011700
Unavailable
100
Seal
278001223
Unavailable
200
SEALING CAP - Call your local BRP dealership
293000070
Unavailable
250
Female Terminal
278001310
Unavailable
280
CONNECTOR_MALE 1 CAVITY - Call your local BRP dealership
278000219
Unavailable
320
FEMALE TERMINAL - Call your local BRP dealership
278001210
Unavailable
390
Female Terminal
278001726
Unavailable
400
MALE CONNECTOR, 26 CIRCUITS - Call your local BRP dealership
278001211
Unavailable
420
Housing 9 mm, Meter
293100012
Unavailable
LOW TEMPERATURE TUBING 1/2? 3000MM LONG - Call your local BRP dealership
219704427
Unavailable
Pvc Vinyl Tubing
293100011
Unavailable
Heat Shrink Tubing 25 mm
512059668
Unavailable
