- Partiron
- OEM Parts
- Sea-doo
- Watercraft
- 2003
- GTI
- GTI LE RFI, 6103/6104, 2003
Oil Injection System
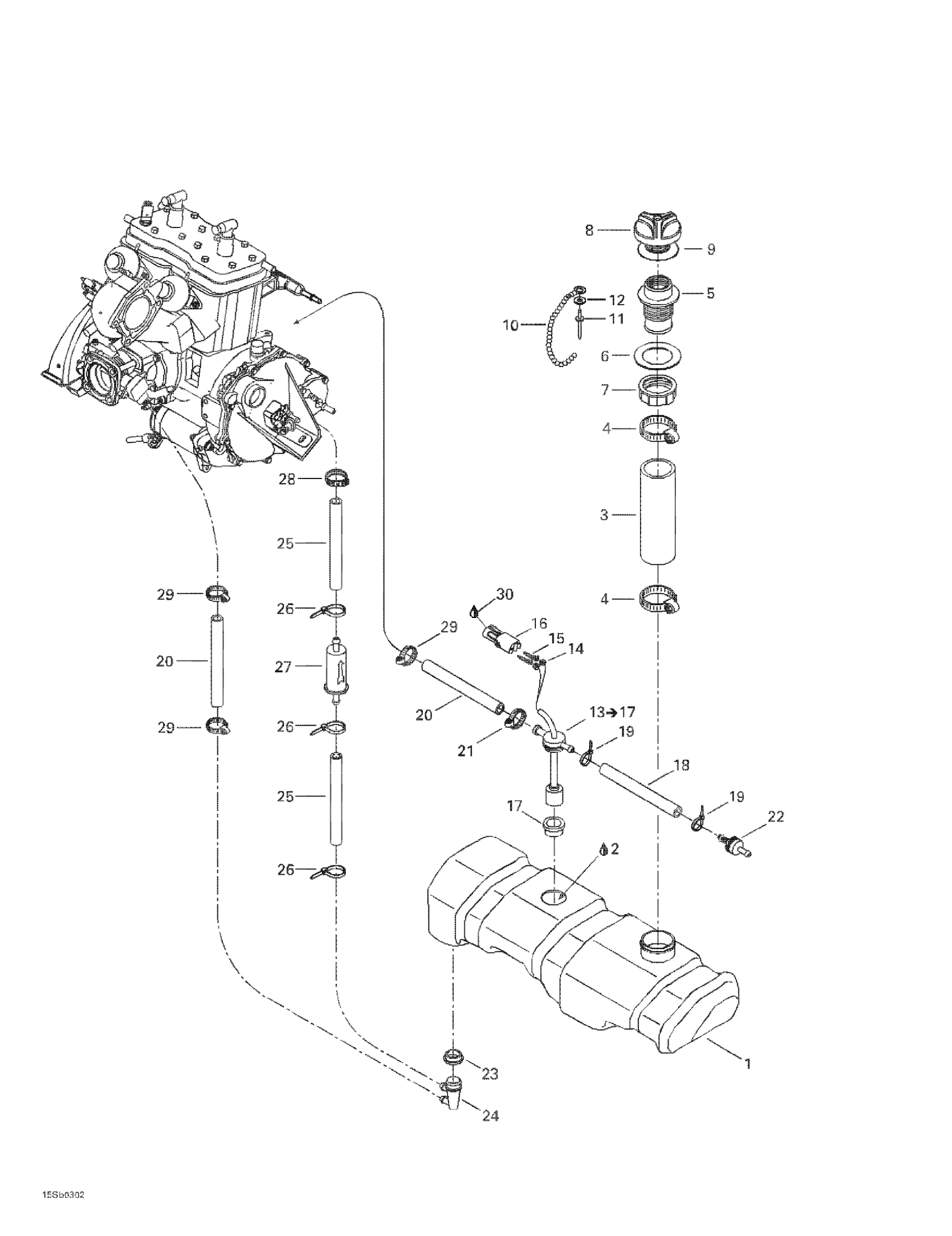
Sea-doo GTI LE RFI, 6103/6104, 2003 Oil Injection System Diagram
#
Description
Price
2
OIL 2T 12X1 SYNTH - Call your local BRP dealership This part replaces 293600045.
293600132
Unavailable
OIL 2T 3X1G SYNTH - Call your local BRP dealership This part replaces 293600046.
293600133
Unavailable
OIL 2T E-TEC SYNTHETIC 55 GAL/205L This part replaces 293600047.
779130
Unavailable
3
Filler Hose
275000230
Unavailable
5
FILLER NECK - Call your local BRP dealership
275000242
Unavailable
6
Gasket
293250132
Unavailable
7
Nut-Neck Oil Filler
211100013
Unavailable
8
Oil Cap
275000186
Unavailable
9
O-RING - Call your local BRP dealership
293250025
Unavailable
10
Oil Cap Chain
275500015
Unavailable
13
OIL LEVER SENSOR ASS'Y - Call your local BRP dealership
278001401
Unavailable
24
FITTING ELBOW 90 - Call your local BRP dealership
293710051
Unavailable
27
OIL FILTER - Call your local BRP dealership
275000051
Unavailable
