- Partiron
- OEM Parts
- Sea-doo
- Watercraft
- 2001
- GTI
- GTI, 5522/5523, 2001
Oil Injection System
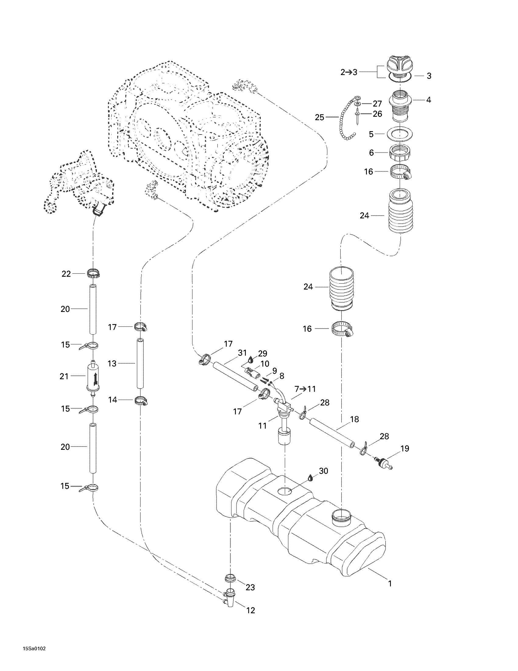
Sea-doo GTI, 5522/5523, 2001 Oil Injection System Diagram
#
Description
Price
2
Oil Cap
275000186
Unavailable
3
O-RING - Call your local BRP dealership
293250025
Unavailable
4
Filler Neck
275000212
Unavailable
5
Gasket
293250016
Unavailable
6
Nut-Neck Oil Filler
211100013
Unavailable
7
OIL LEVER SENSOR ASS'Y - Call your local BRP dealership
278001401
Unavailable
12
FITTING ELBOW 90 - Call your local BRP dealership
293710051
Unavailable
18
HOSE-6MM. 5000MM LONG - Call your local BRP dealership
219704396
Unavailable
21
OIL FILTER - Call your local BRP dealership
275000051
Unavailable
24
Filler Hose
275000188
Unavailable
25
Oil Cap Chain
275500015
Unavailable
OIL 2T CARB PREM. MINERAL 55 GAL/205L This part replaces 413803200.
779123
Unavailable
SYNTHETIC INJECTION OIL, 12 X 1 LITER - Call your local BRP dealership
413710500
Unavailable
OIL 2T 3X1G SYNTH - Call your local BRP dealership This part replaces 293600046.
293600133
Unavailable
OIL 2T E-TEC SYNTHETIC 55 GAL/205L This part replaces 293600047.
779130
Unavailable
FORMULA XP-S DI OIL (12 X 1 LITERS) - Call your local BRP dealership
293600032
Unavailable
OIL 2T 3X1G SYNTH - Call your local BRP dealership This part replaces 293600046.
293600133
Unavailable
OIL 2T E-TEC SYNTHETIC 55 GAL/205L This part replaces 293600047.
779130
Unavailable
31
Not Available As Spare Part - Friction Washer
Unavailable
