- Partiron
- OEM Parts
- Yamaha
- motorcycle
- 1978
- GT80E (GT80) 1978
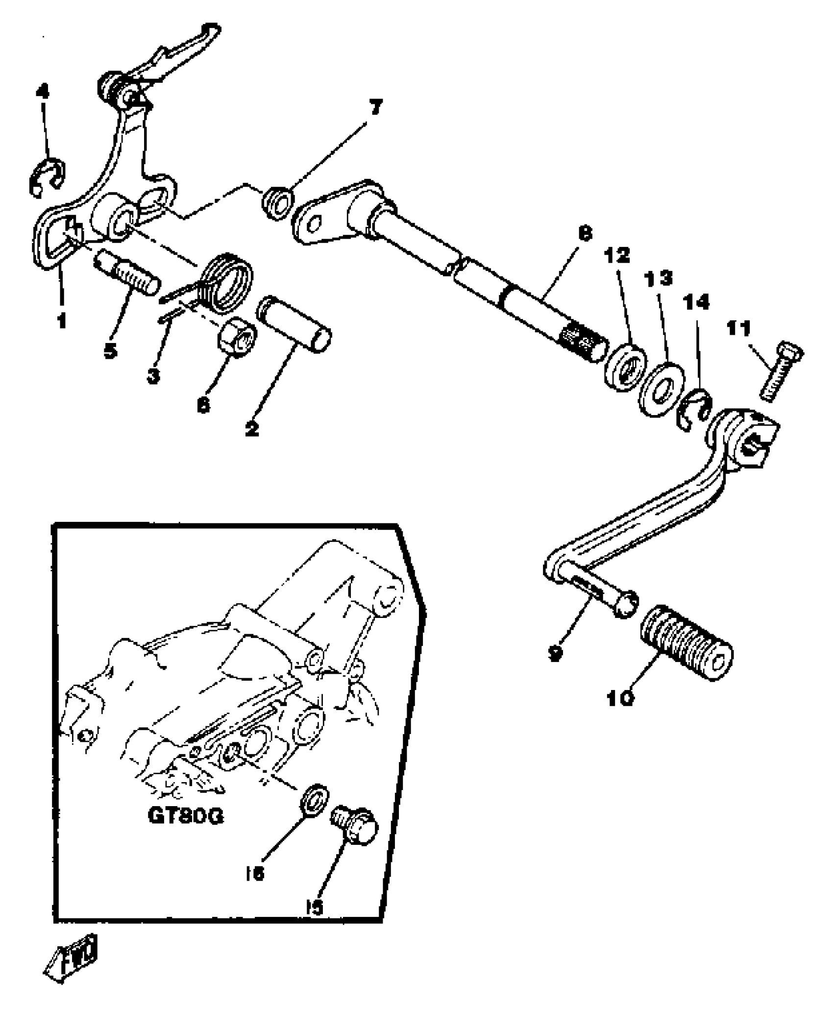
SHIFT SHAFT
Yamaha GT80E (GT80) 1978 SHIFT SHAFT Diagram
#
Description
Price
1
SHIFT LEVER ASSEMBLY
353-18120-00-00
Unavailable
2
SHAFT
367-18197-00-00
Unavailable
3
SPRING TORSION 353181240000
90508-32054-00
Unavailable
7
ROLLER, SHIFT LEVER
214-18178-00-00
Unavailable
8
SHIFT SHAFT ASSEMBLY
353-18101-03-00
Unavailable
16
GASKET (5R6)
90430-10171-00
Unavailable
