- Partiron
- OEM Parts
- Yamaha
- motorcycle
- 1978
- GT80E (GT80) 1978
GENERATOR GT80G
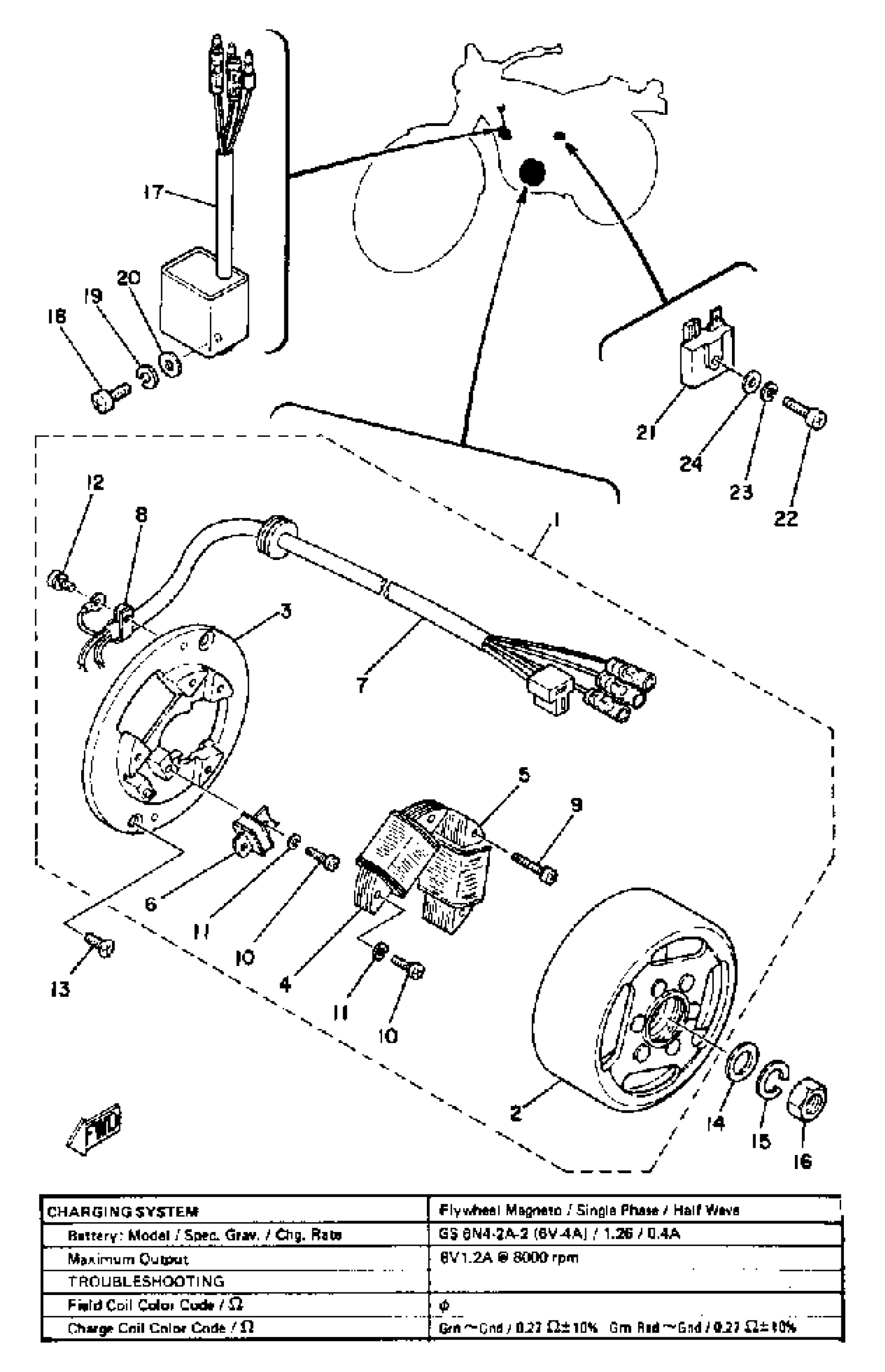
Yamaha GT80E (GT80) 1978 GENERATOR GT80G Diagram
#
Description
Price
1
CDI MAGNETO ASSEMBLY
3J8-85500-21-00
Unavailable
2
ROTOR ASSEMBLY
(3J8-85550-20-00)
Unavailable
3
BASE, MAGNETO
(3J8-85509-20-00)
Unavailable
4
. COIL SOURCE 2
3J8-85512-20-00
Unavailable
5
. COIL, LIGHTING 1
3A3-85513-20-00
Unavailable
6
. COIL, PULSER
3A3-85580-20-00
Unavailable
7
LEAD WIRE ASSEMBLY
(3J8-85515-20-00)
Unavailable
9
SCREW, PAN HEAD
98517-04025-00
Unavailable
12
SCREW, PAN HEAD(3XP)
98517-04006-00
Unavailable
14
WASHER (492)
90201-12535-00
Unavailable
16
NUT, HEXAGON 98801-12200
90170-12175-00
Unavailable
17
CDI UNIT ASSEMBLY
3A3-85540-20-00
Unavailable
18
SCREW, PAN
98507-06014-00
Unavailable
19
WASHER, SPRING
92995-06100-00
Unavailable
20
WASHER, PLATE (4H7)
90201-061A5-00
Unavailable
21
RECTIFIER ASSY
353-81970-M2-00
Unavailable
22
SCREW, PAN HEAD
98580-05020-00
Unavailable
23
YBS67-5 WASHER, SPRING
92990-05100-00
Unavailable
24
WASHER, PLAIN (646)
92990-05600-00
Unavailable
