- Partiron
- OEM Parts
- Yamaha
- motorcycle
- 1978
- GT80E (GT80) 1978
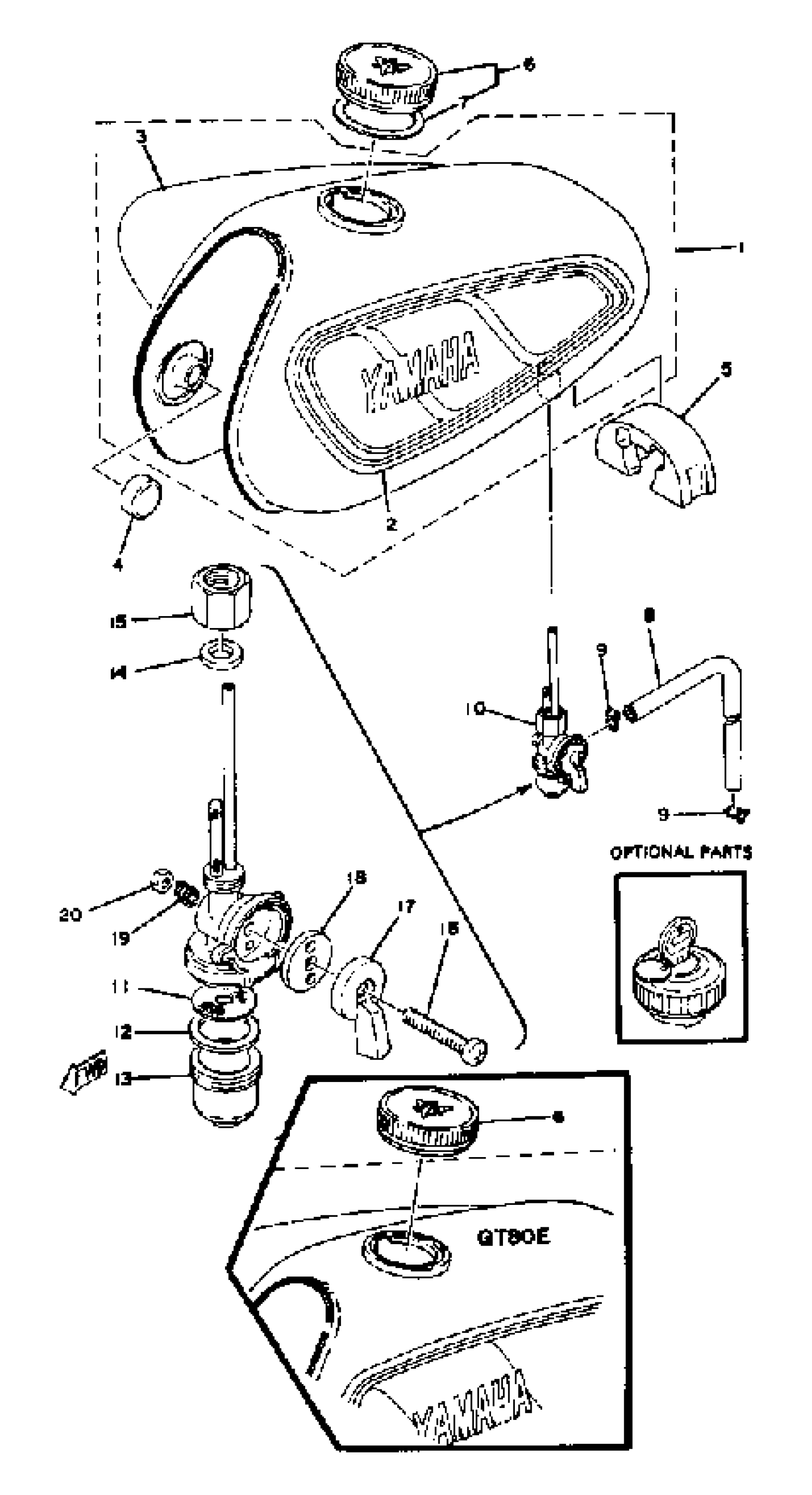
FUEL TANK GT80E - GT80E~009161
Yamaha GT80E (GT80) 1978 FUEL TANK GT80E - GT80E~009161 Diagram
#
Description
Price
1
FUEL TANK
(367-24110-Y0-X2)
Unavailable
2
GRAPHIC, FUEL TNK 1
(2F4-24244-00-00)
Unavailable
3
GRAPHIC, FUEL TNK 2
(2F4-24245-00-00)
Unavailable
10
FUEL COCK ASSY
367-24500-04-00
Unavailable
11
. NET, FILTER 2
355-24515-00-00
Unavailable
13
. CUP, FILTER
122-24521-00-00
Unavailable
15
. NUT
603-24531-01-00
Unavailable
16
SCREW, PAN HEAD
98517-05030-00
Unavailable
17
LEVER, COCK
(355-24524-01-00)
Unavailable
18
VALVE
355-24523-00-00
Unavailable
19
WASHER, WAVE
(355-24518-00-00)
Unavailable
20
CAP ASSY
127-24650-10-00
Unavailable
20
NUT, HEXAGON (663)
95380-05600-00
Unavailable
