- Partiron
- OEM Parts
- Yamaha
- motorcycle
- 1978
- GT80E (GT80) 1978
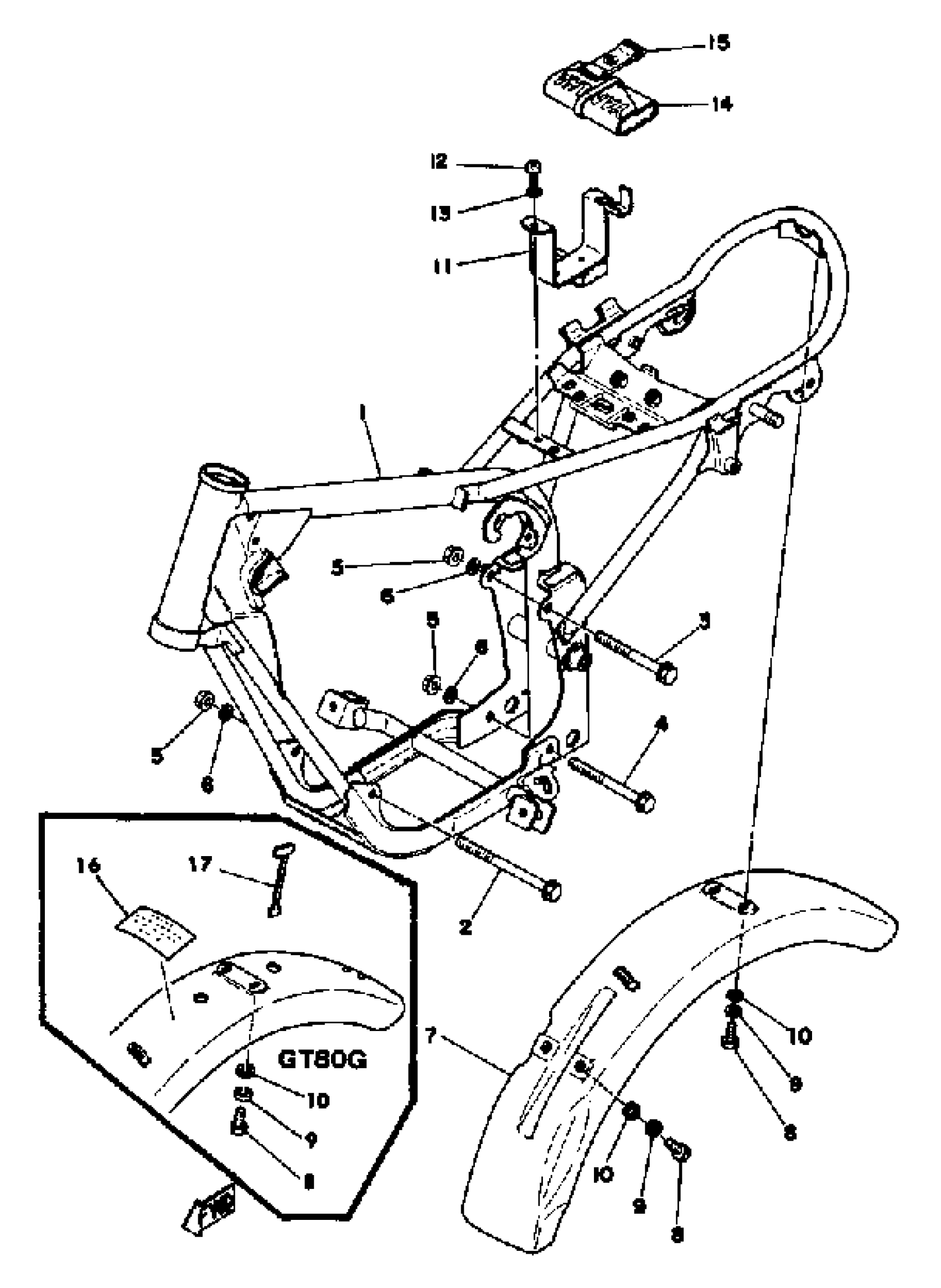
FRAME - REAR FENDER
Yamaha GT80E (GT80) 1978 FRAME - REAR FENDER Diagram
#
Description
Price
1
FRAME
(2A3-21110-00-33)
Unavailable
1
FRAME
(3J8-21110-00-33)
Unavailable
7
FENDER, REAR
(2A3-21610-00-20)
Unavailable
7
FENDER, REAR
(2A3-21610-00-36)
Unavailable
9
WASHER, SPRING
92995-06100-00
Unavailable
11
BOX, BATT.
368-21240-00-00
Unavailable
12
SCREW, PAN HEAD(62J)
97885-06012-00
Unavailable
13
WASHER, SPRING
92995-06100-00
Unavailable
14
UNAVAILABLE IN PRICE BOOK (367-28100-02)
2U2-28100-02-00
Unavailable
15
BAND, TOOL
21V-21376-00-00
Unavailable
16
PLATE, SPEC
(3J8-21683-00-00)
Unavailable
17
GAUGE, LEVEL
353-15361-00-00
Unavailable
