- Partiron
- OEM Parts
- Yamaha
- motorcycle
- 1978
- GT80E (GT80) 1978
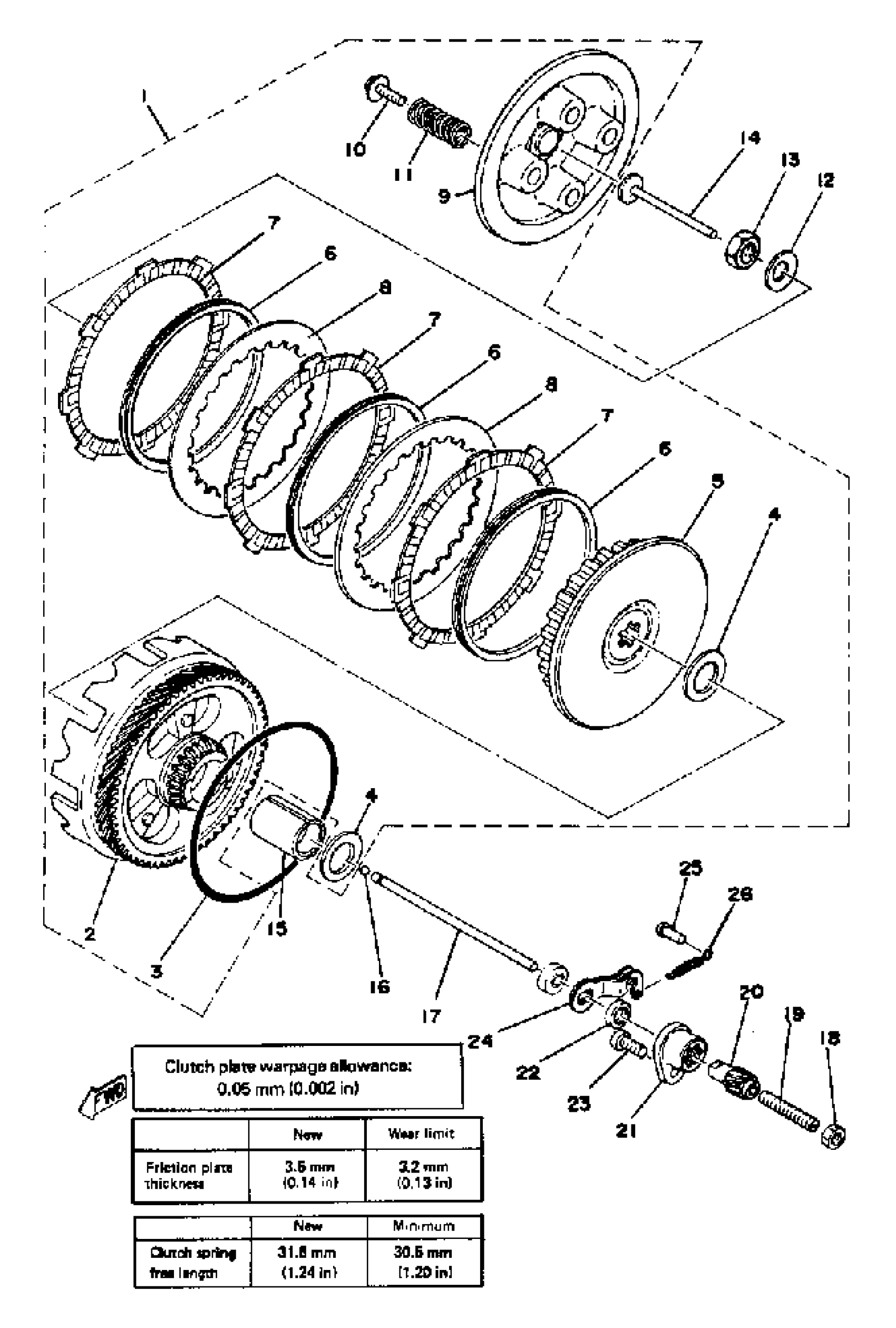
CLUTCH GT80E - GT80E~009161 - GT80F
Yamaha GT80E (GT80) 1978 CLUTCH GT80E - GT80E~009161 - GT80F Diagram
#
Description
Price
1
CLUTCH ASSEMBLY
(2A3-16301-00-00)
Unavailable
2
. PRIMARY DRIVEN GEAR COMP (68T) (2A3-16150-00)
1T0-16150-01-00
Unavailable
5
. BOSS, CLUTCH
353-16371-00-00
Unavailable
6
RING, CUSHION
131-16367-00-00
Unavailable
8
PLATE, CLUTCH 1
257-16324-10-00
Unavailable
9
. PLATE, PRESSURE 1
353-16351-00-00
Unavailable
12
WASHER, CONICAL SPRING 12,2 X
90208-12800-00
Unavailable
15
SPACER
90560-17123-00
Unavailable
16
BALL
93503-16003-00
Unavailable
17
ROD, PUSH (2)
353-16357-00-00
Unavailable
18
NUT(650)
95380-06700-00
Unavailable
19
BOLT SET 241163430000
90113-06013-00
Unavailable
20
SCREW, PUSH
241-16341-01-00
Unavailable
21
HOUSING, PUSH SCREW
353-16396-00-00
Unavailable
22
SEAL 0IL (2V7)
93104-10085-00
Unavailable
23
SCREW, PAN
98507-06014-00
Unavailable
24
LEVER, PUSH
451-16342-00-00
Unavailable
25
HOOK, SPRING
132-16346-00-00
Unavailable
26
SPRING TENSION 257163450000
90506-07066-00
Unavailable
