- Partiron
- OEM Parts
- Suzuki
- Motorcycle
- 1977
- GT750 (1977)
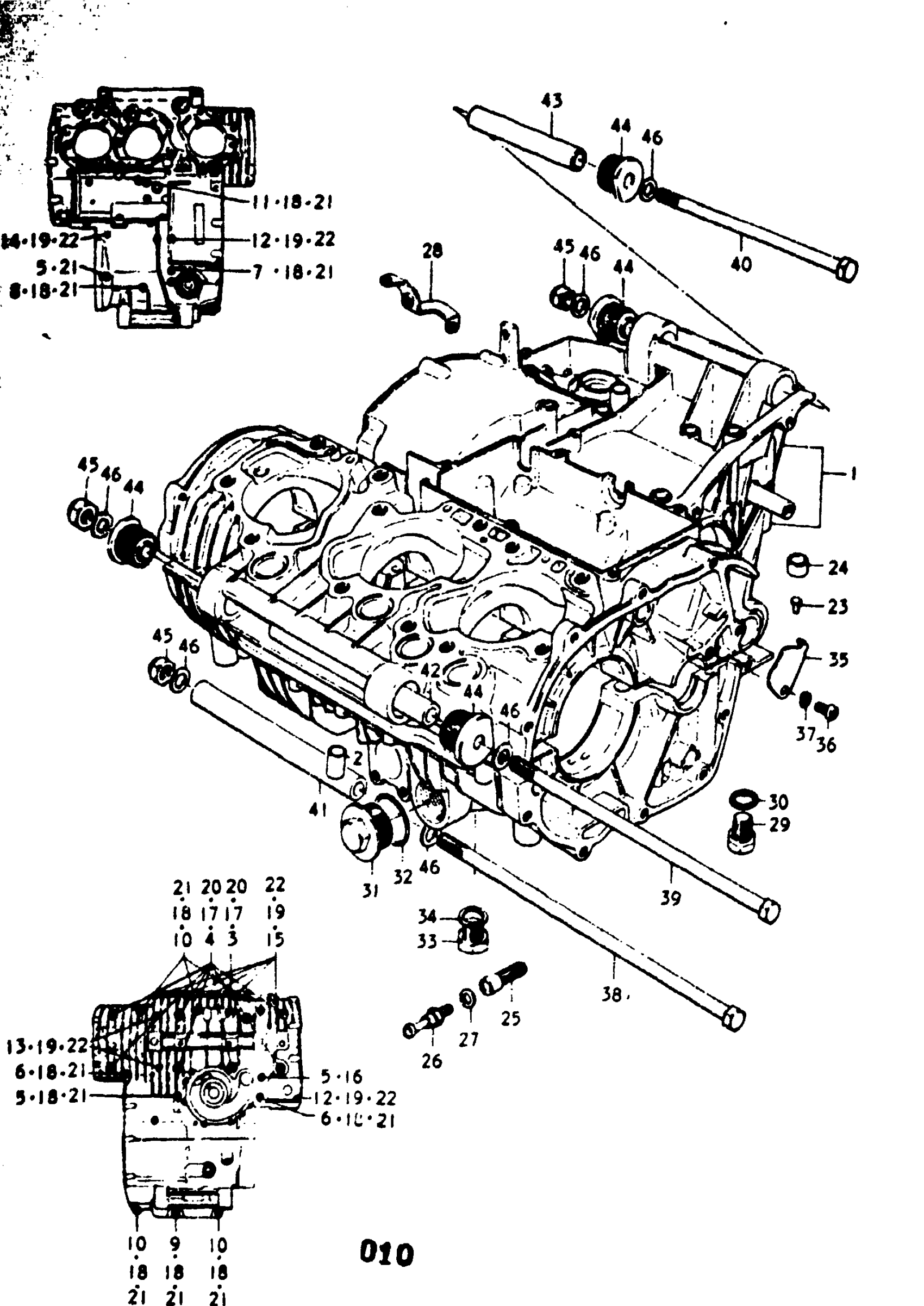
CRANKCASE
Suzuki GT750 (1977) CRANKCASE Diagram
#
Description
Price
1
CRANKCASE SET | K; TO 11300-31846
11304-31802
Unavailable
1
CRANKCASE SET | L; TO 11300-31830 SEE NOTE 1
11300-31846
Unavailable
1
CRANKCASE SET | M; TO 11300-31851 SEE NOTE 2 This part replaces 11300-31850.
11300-31852
Unavailable
1
CRANKCASE SET | A; TO 11300-31852 SEE NOTE 3
11300-31851
Unavailable
1
CRANKCASE SET | B; Includes Item(s) 2 - 28
11300-31852
Unavailable
3
NO DESCRIPTION AVAILABLE | K,L,M,A,B; 10x130 This part replaces 09100-10070.
09100-10280
Unavailable
4
BOLT | K,L,M,A,B; 10x100
09100-10035
Unavailable
5
BOLT | K,L,M,A,B; 8x110
09100-08026
Unavailable
12
BOLT | K,L,M,A,B; 6x110
09100-06060
Unavailable
24
BUSHING, WATER PUMP DRIVEN SH | K,L,M,A,BAFT
09304-10003
Unavailable
25
STRAINER, SRIS | K,L,M,A,B
16521-31010
Unavailable
26
CHECK VALVE, SRIS | K,L,M,A,B; THREADED
16710-31012
Unavailable
28
HOLDER, OIL PUMP ADJUSTER | K,L
16293-31000
Unavailable
31
PLUG, WATER DRAIN | K,L,M,A,B
09247-32001
Unavailable
35
PLATE, TACHOMETER OIL RESERVOI | K,L,M,A,BR
26448-31000
Unavailable
38
BOLT | K,L,M,A,B; 10x310
09100-10075
Unavailable
39
NO DESCRIPTION AVAILABLE | K,L,M,A,B; 10x270 This part replaces 09100-10074.
09100-10074-XC0
Unavailable
41
SPACER | K,L,M,A,B; 10.2x16x182
09180-10031
Unavailable
42
SPACER | K,L,M,A,B; 10.2x16x164
09100-10032
Unavailable
43
SPACER | K,L,M,A,B; 10.2x16x107
09180-10030
Unavailable
44
BUSH | K,L,M,A,B This part replaces 09319-10015.
09319-10084
Unavailable
