- Partiron
- OEM Parts
- Suzuki
- Motorcycle
- 1972
- GT750 (1972)
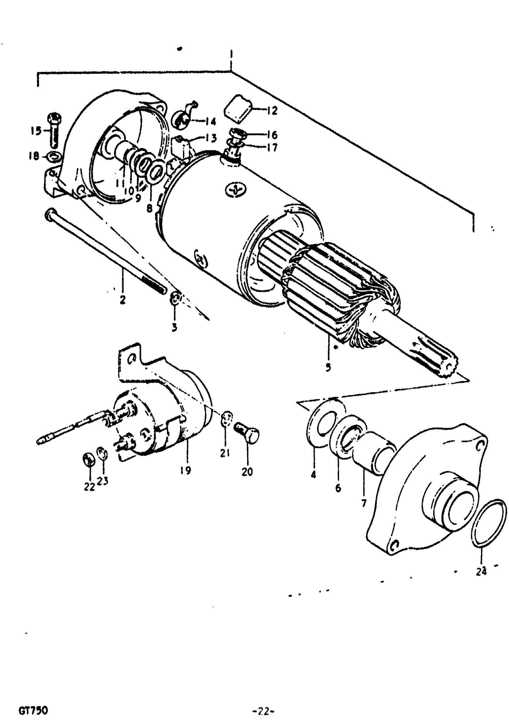
STARTING MOTOR
Suzuki GT750 (1972) STARTING MOTOR Diagram
#
Description
Price
1
MOTOR ASSY, STARTING | NIPPON DENSO; Includes Item(s) 2 - 14 This part replaces 31100-31010.
31100-49050
Unavailable
2
BOLT This part replaces 31281-31010.
31280-06B00
Unavailable
4
THIM
31364-31010
Unavailable
5
ARMATURE
31311-31010
Unavailable
6
OIL SEAL
31153-31010
Unavailable
7
BUSHING
31152-31010
Unavailable
8
THIM, (1)
31361-65010
Unavailable
9
THIM, (2) | 0~2)
31362-51010
Unavailable
10
THIM, (3) | 0~2)
31363-51010
Unavailable
11
BUSHING
31152-65010
Unavailable
12
BRUSH, (+)
31131-65010
Unavailable
13
BRUSH, (-)
31132-65010
Unavailable
