- Partiron
- OEM Parts
- Suzuki
- Motorcycle
- 1972
- GT750 (1972)
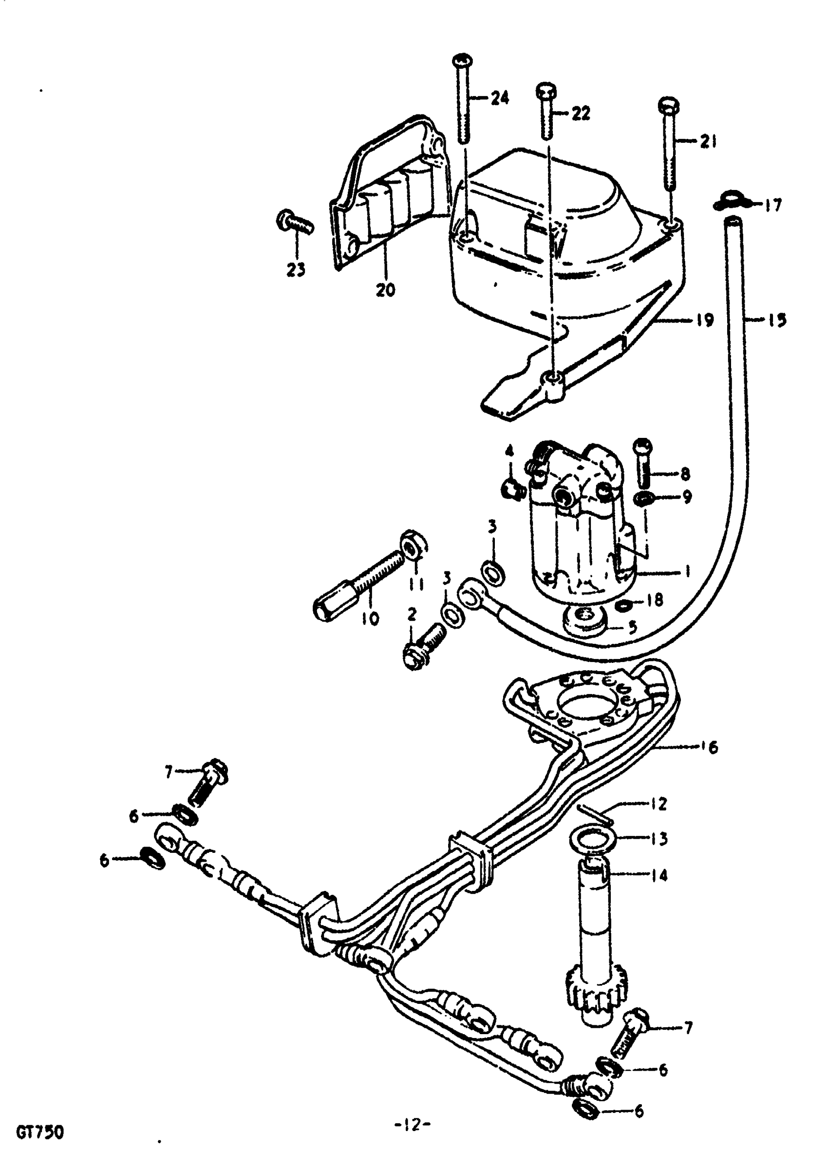
OIL PUMP
Suzuki GT750 (1972) OIL PUMP Diagram
#
Description
Price
1
PUMP, OIL | Includes Item(s) 2 - 4
16002-31804
Unavailable
5
OIL SEAL
09285-08002
Unavailable
12
PIN
09261-03010
Unavailable
14
SHAFT, OIL PUMP DRIVEN | NT:15
16331-31001
Unavailable
15
HOSE, OIL (L:512!97) This part replaces 16810-05031.
16810-07520
Unavailable
16
HOSE, OIL NO.2
16820-31031
Unavailable
17
OIL HOSE CLAMP | FROM 09400-00107 This part replaces 09400-10301.
09400-10302
Unavailable
19
COVER, OIL PUMP NO.1 This part replaces 11411-31001.
11411-31002
Unavailable
20
COVER, OIL PUMP NO.2
11412-31000
Unavailable
