Suzuki GT750 (1972) COVER Diagram
#
Description
Price
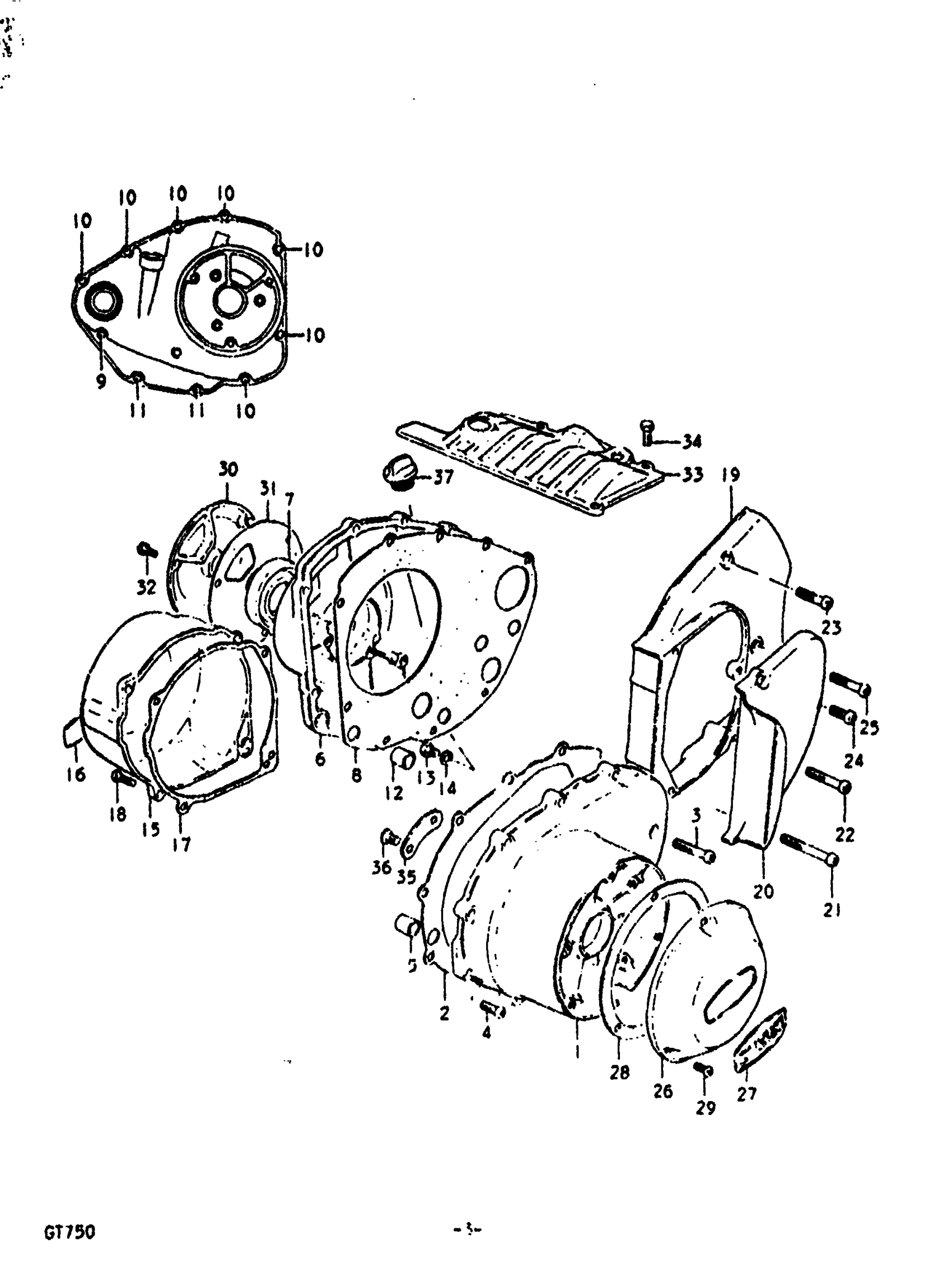
1
COVER, STARTER GEAR
11331-31001
Unavailable
2
GASKET,STRT GR This part replaces 11485-31000.
11485-310V0
Unavailable
6
COVER, CLUTCH | FROM 11341-31000
11341-31001
Unavailable
8
GASKET,CLUTCH C This part replaces 11482-31000.
11482-31001
Unavailable
15
COVER GENERATOR | FROM 11300-31840 This part replaces 11300-31860.
11351-31001
Unavailable
17
GASKET
11483-31000
Unavailable
19
COVER, ENGINE SPROCKET INNER
11361-31000
Unavailable
20
COVER, ENGINE SPROCKET OUTER
11371-31000
Unavailable
26
CAP, CONTACT BRAKER | Includes Item(s) 27
11300-31830
Unavailable
28
GASKET
11491-31001
Unavailable
30
CAP, CLUTCH ADJUSTING
11387-31000
Unavailable
31
GASKET,CL RLSE This part replaces 11495-31000.
11495-31001
Unavailable
33
COVER, STARTER MOTOR | SEE NOTE 1
11440-31001
Unavailable
35
PLATE, OIL RESERVOIR | FROM 12561-31000
12521-31000
Unavailable
