- Partiron
- OEM Parts
- Suzuki
- Motorcycle
- 1977
- GT550 (1977)
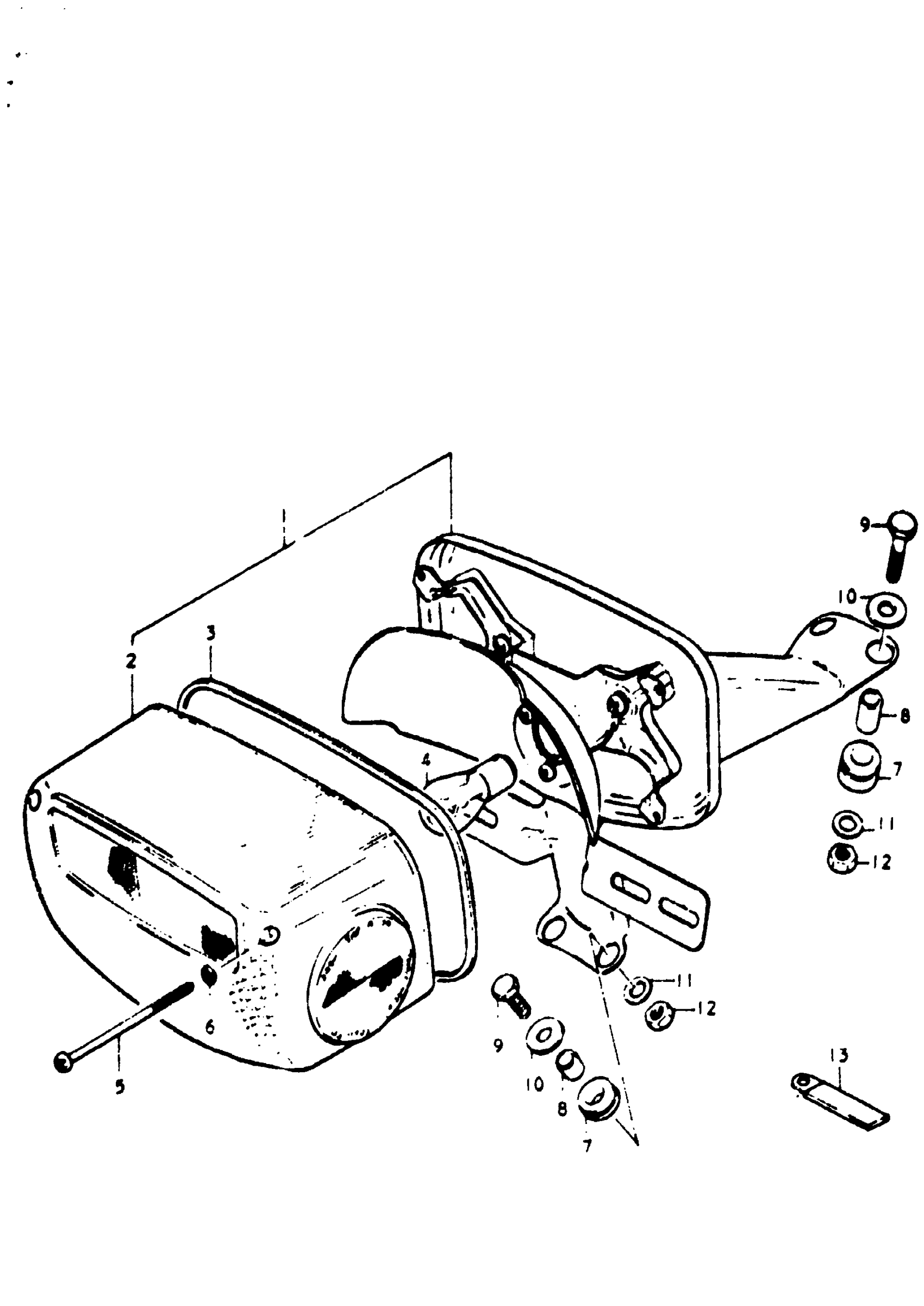
REAR COMBINATION LAMP (GT550B)
Suzuki GT550 (1977) REAR COMBINATION LAMP (GT550B) Diagram
#
Description
Price
1
NO DESCRIPTION AVAILABLE | Includes Item(s) 2 - 8 This part replaces 35710-31210.
35710-31211
Unavailable
2
LENS,RR COMBI L This part replaces 35712-45010.
35712-45013
Unavailable
3
GASKET
35713-45010
Unavailable
7
CUSHION
35765-27691
Unavailable
13
CLAMP This part replaces 09403-00069.
09404-06037
Unavailable
