- Partiron
- OEM Parts
- Suzuki
- Motorcycle
- 1977
- GT550 (1977)
CALIPER (TOKICO)
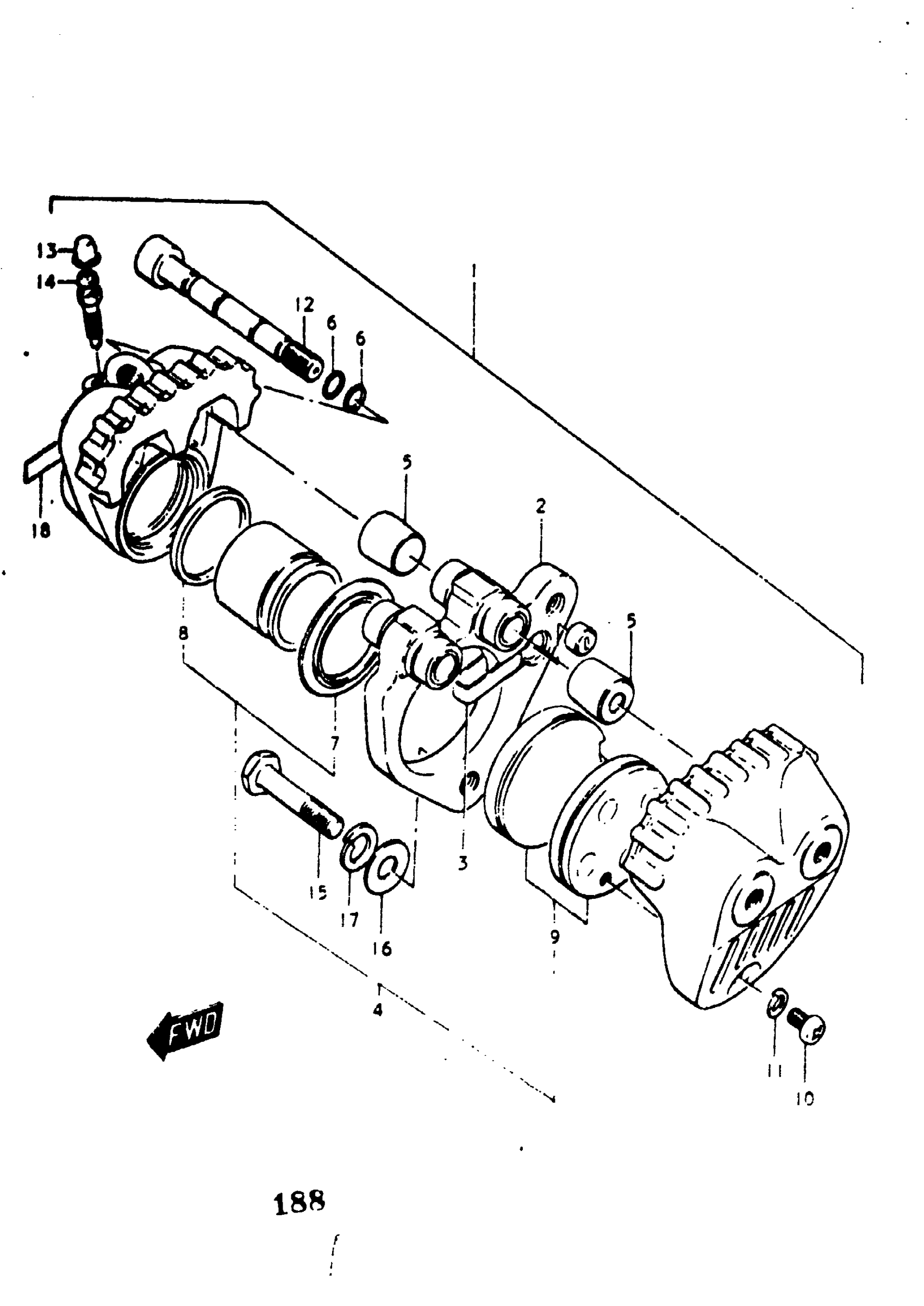
Suzuki GT550 (1977) CALIPER (TOKICO) Diagram
#
Description
Price
1
CALIPER ASSY | K; FROM 59100-18410
59100-18412
Unavailable
1
CALIPER ASSY | L; TO 59100-33111
59100-33110
Unavailable
1
NO DESCRIPTION AVAILABLE | M,A,B; Includes Item(s) 2 - 14 This part replaces 59100-33111.
59100-33112
Unavailable
2
HOLDER, CALIPER | FROM 59150-18410
59150-18411
Unavailable
3
STOPPER, CALIPER HOLDER
59153-18410
Unavailable
4
PISTON SET This part replaces 59100-18831.
59100-18834
Unavailable
5
DUST COVER
59112-18410
Unavailable
6
O RING
59111-18410
Unavailable
7
BOOT
59108-18410
Unavailable
9
PAD SET This part replaces 59100-18840.
59300-18810
Unavailable
12
AXLE, CALIPER | FROM 59105-18410
59105-18411
Unavailable
18
EMBLEM, CALIPER
68334-18400
Unavailable
