Partiron

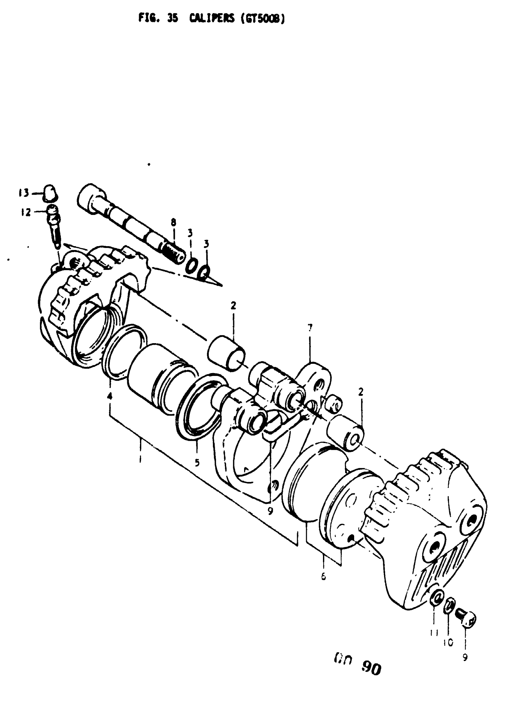
Suzuki GT500 (1977) CALIPERS (GT500B) Diagram

#

Description
Price

1

NO DESCRIPTION AVAILABLE | AISHIN; Includes Item(s) 2 - 6 This part replaces 59100-34810.

59100-34811

Unavailable

2

DUST SEAL

59112-34020

Unavailable

3

O RING

59111-34020

Unavailable

4

PISTON SEAL This part replaces 59107-34020.

59107-34021

Unavailable

5

PISTON BOOTS This part replaces 59108-34020.

59108-34021

Unavailable

6

PAD SET

59100-34820

Unavailable

7

HOLDER, CALIPERS

59150-34020

Unavailable

8

AXLE, CARIPERS NO. 1 This part replaces 59105-34020.

59305-45020

Unavailable

9

SCREW This part replaces 02111-05108.

02112-05107

$1.49

10

LOCK WASHER This part replaces 08321-21058.

08321-0105A

$1.84

11

WASHER This part replaces 08322-21058.

08322-01057

$2.13

12

BLEEDER

59121-34020

$13.35

13

CAP, BLEEDER This part replaces 59122-34020.

55156-66310

$5.17