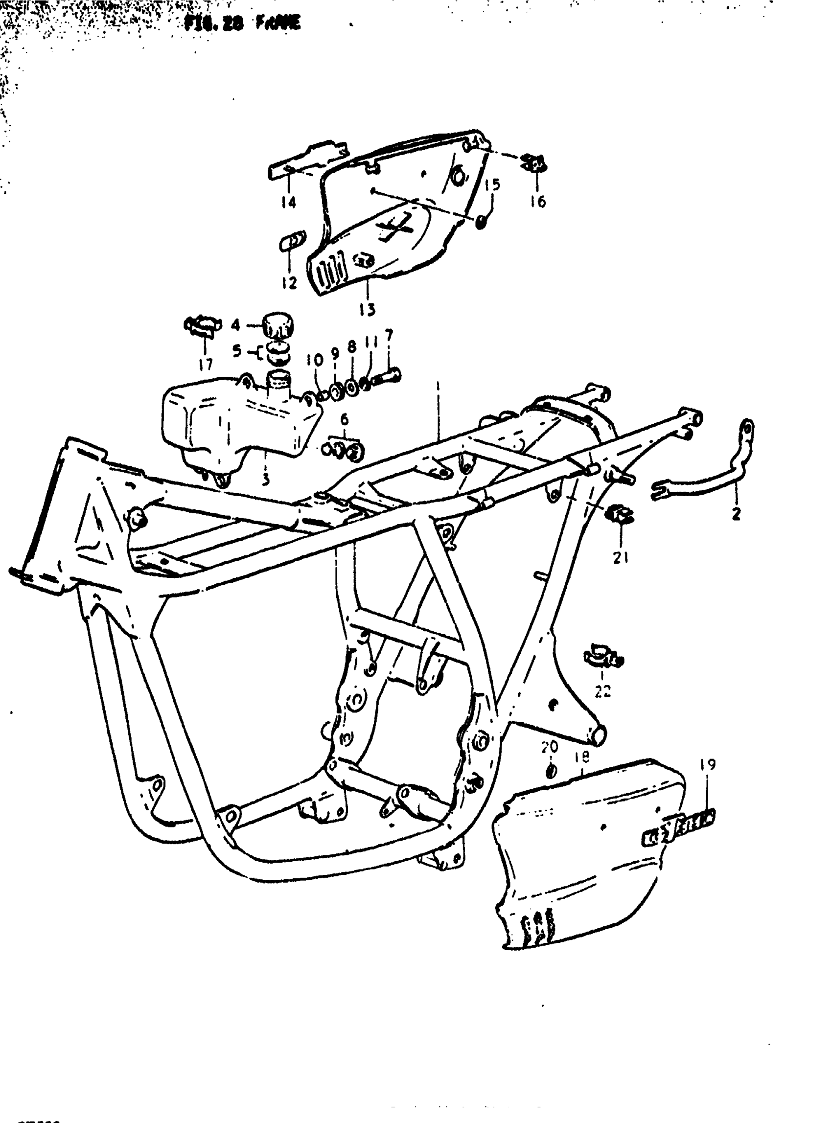
Suzuki GT380 (1972) FRAME Diagram
#
Description
Price
1
FRAME | SEE NOTE TO 41100-33001-019
41100-33000-019
Unavailable
2
GRIP, FRAME HANDLE
41411-33000
Unavailable
3
TANK, OIL
44611-33000
Unavailable
13
NO DESCRIPTION AVAILABLE This part replaces 47111-33000-157.
47111-33000-019
Unavailable
13
NO DESCRIPTION AVAILABLE This part replaces 47111-33000-215.
47111-33000-019
Unavailable
14
EMBLEM, FRAME COVER RH
68141-33000
Unavailable
16
CLAMP | TO 09403-07306
09410-00050
Unavailable
17
CLAMP | TO 09403-26301
09410-00046
Unavailable
18
NO DESCRIPTION AVAILABLE This part replaces 47211-33000-157.
47211-33000-019
Unavailable
18
NO DESCRIPTION AVAILABLE This part replaces 47211-33000-215.
47211-33000-019
Unavailable
19
EMBLEM, FRAME COVER LH
68141-33000
Unavailable
21
CLAMP | TO 09403-07306
09410-00050
Unavailable
22
CLAMP | TO 09403-26301
09410-00046
Unavailable
