- Partiron
- OEM Parts
- Suzuki
- Motorcycle
- 1977
- GT250 (1977)
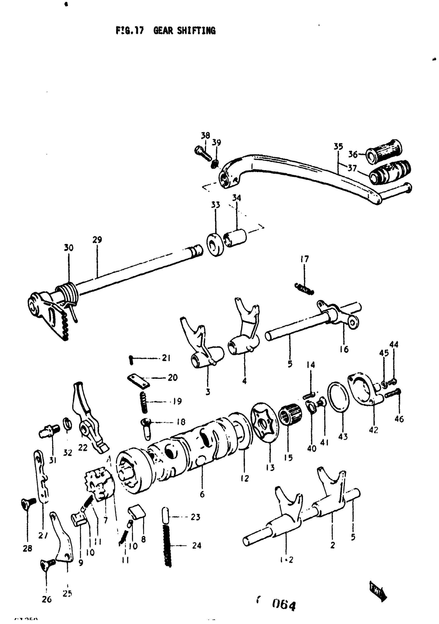
GEAR SHIFTING
Suzuki GT250 (1977) GEAR SHIFTING Diagram
#
Description
Price
1
FORK, 5TH DRIVE GEAR SHIFTING | K,L; TO 25241-18000 This part replaces 25211-18000.
25241-18000
Unavailable
2
FORK, 5TH DRIVE GEAR SHIFTING | K,LM,A,B
25241-18000
Unavailable
3
FORK, 3RD DRIVEN GEAR SHIFTING | K,L,M,A,B
25221-18000
Unavailable
4
FORK, 5TH DRIVEN GEAR SHIFTING | K,L,M,A,B
25231-18000
Unavailable
5
SHAFT, GEAR SHIFTING FORK | K,L,M,A,B
25411-18000
Unavailable
6
CAM, GEAR SHIFTING | K; TO 25310-18004 This part replaces 25310-18002.
25310-18004
Unavailable
6
CAM, GEAR SHIFTING | K,L,M,A,B
25310-18004
Unavailable
12
WASHER | K,L,M,A,B; 40x45x1
09160-40001
Unavailable
13
PLATE, CAM STOPPER | K,L,M,AK,L,M,A This part replaces 25381-20000.
25381-20001
Unavailable
13
PLATE, GEAR SHIFTING CAM STOPP | B; FROM 25381-20000B; FROM 25381-20000
25381-20001
Unavailable
15
BEARING | K,L,M
09263-16006
Unavailable
15
BEARING | A,B
09263-16012
Unavailable
16
STOPPER, GEAR SHIFTING CAM (1) | K,L,M,A,B
25350-18000
Unavailable
17
SPRING | K,L,M,A,B
09443-09006
Unavailable
18
STOPPER, GEAR SHIFTING CAM (2) | K,L,M,A,B
25351-18001
Unavailable
20
HOLDER, SHIFTING CAM SPRING | K,L,M,A,B
25354-18000
Unavailable
22
SHOE, TRANSMISSION BRAKE | K,L,M,A This part replaces 24640-33000.
24641-33031
Unavailable
22
SHOE, TRANSMISSION BRAKE | B; FROM 24640-33000
24641-33031
Unavailable
23
TAPPET, BRAKE SHOE | K,L,M,A,B
24631-18010
Unavailable
24
SPRING | K,L,M,A,B
09440-07017
Unavailable
27
GUIDE, GEAR SHIFTING | K,L,M,A,B
25341-18000
Unavailable
29
NO DESCRIPTION AVAILABLE | K,L,M,A,B This part replaces 25510-18000.
25510-18X00
Unavailable
34
CUSHION | K,L,M,A,B
09320-13001
Unavailable
35
LEVER ASSY, GEAR SHIFTING | K; TO 25600-18001 This part replaces 25600-18000.
25600-18001
Unavailable
35
LEVER ASSY, GEAR SHIFTING | L
25600-18001
Unavailable
35
LEVER ASSY, GEAR SHIFTING | M,A,B; FROM 25600-18001; Includes Item(s) 36 - 37 This part replaces 25600-18002.
25600-18001
Unavailable
42
BODY, GEAR SHIFTING SWITCH | K,L,M,A,B
37721-15002
Unavailable
