- Partiron
- OEM Parts
- Suzuki
- Motorcycle
- 1977
- GT185 (1977)
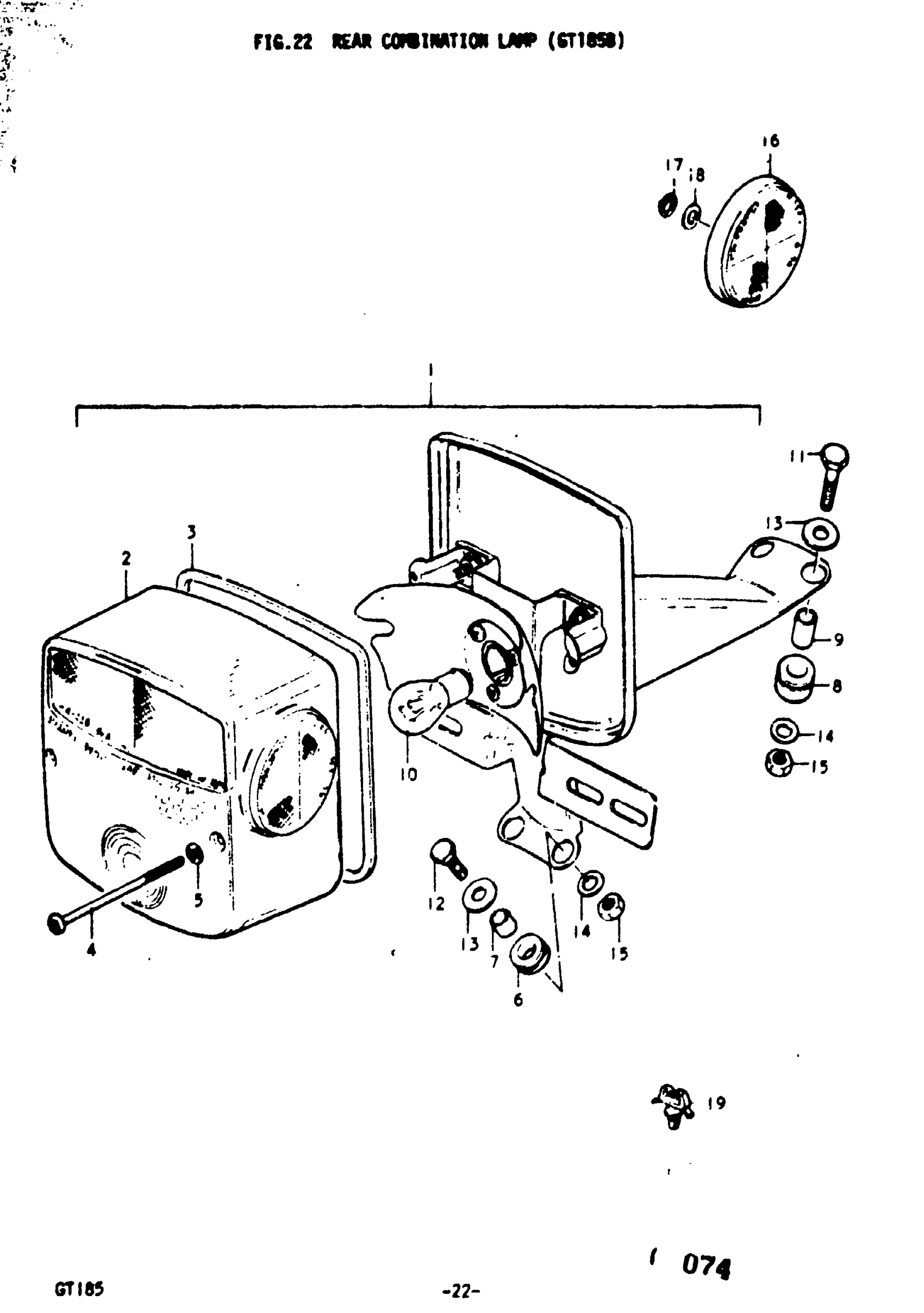
REAR COMBINATION LAMP (GT185B)
Suzuki GT185 (1977) REAR COMBINATION LAMP (GT185B) Diagram
#
Description
Price
1
NO DESCRIPTION AVAILABLE | Includes Item(s) 2 - 10 This part replaces 35710-36310.
35710-25651-999
Unavailable
2
LENS This part replaces 35712-30510.
35712-30512
Unavailable
3
GASKET
35713-30510
Unavailable
6
CUSHION, LOWER
35765-15010
Unavailable
9
SPACER This part replaces 35766-22210.
35766-37120
Unavailable
19
CLIP
36619-27300
Unavailable
