- Partiron
- OEM Parts
- Suzuki
- Motorcycle
- 1977
- GT185 (1977)
ELECTRICAL
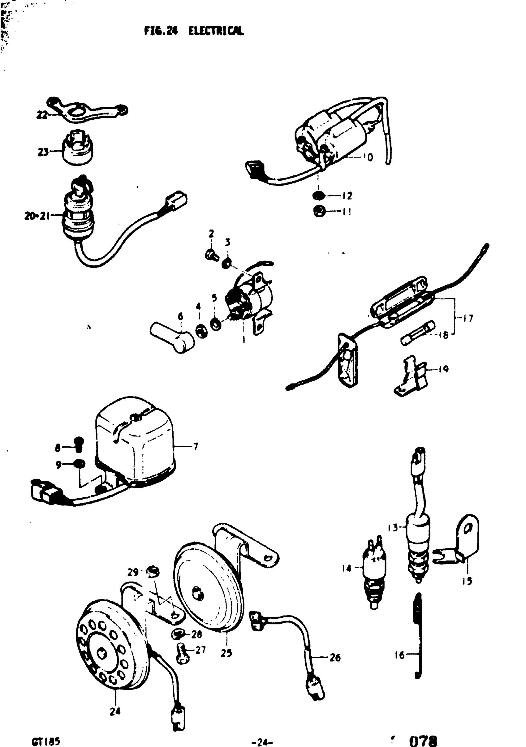
Suzuki GT185 (1977) ELECTRICAL Diagram
#
Description
Price
6
CAP, RELEY TERMINAL | K,L,M,A,B
31861-36101
Unavailable
7
REGULATOR ASSY, VOLTAGS | K,L,M,A,B
32500-36110
Unavailable
10
NO DESCRIPTION AVAILABLE | K,L,M,A,B This part replaces 33410-15020.
33410-15021
Unavailable
13
SWITCH ASSY, BRAKE LAMP | K,L; LEAD WIRE:L 67 TO 37740-37051 This part replaces 37740-25310.
37740-37051
Unavailable
13
SWITCH ASSY, STOP LAMP | L; LEAD WIRE:L 80
37740-37051
Unavailable
15
BRACKET, STOP LAMP SWITCH | K,L,M,A,B
37752-36000
Unavailable
17
CASE ASSY, FUSE | K; TO 36740-31210
36740-31010
Unavailable
17
FUSE CASE ASSY | L,M This part replaces 36740-31211.
36740-31212
Unavailable
19
HOLDER, FUSE CASE | K,L,M,A,B
36791-25001
Unavailable
20
SWITCH ASSY IGN | K,L,M; TO 37110-31015 This part replaces 37110-31013.
37110-31017
Unavailable
20
SWITCH ASSY, IGNITION | A
37110-31014
Unavailable
21
SWITCH ASSY IGN | B This part replaces 37110-31016.
37110-31017
Unavailable
22
BRACKET, IGNITION SWITCH | K This part replaces 37115-36000.
37115-36001
Unavailable
22
BRACKET, IGNITION SWITCH | L,M,A,B
37115-36001
Unavailable
23
COVER, IGNITION SWITCH | K,L,M; TO 37128-36001A
37128-36001
Unavailable
24
HORN | K; TO 38500-35032
38500-36031
Unavailable
24
HORN | L; TO 38500-36033 USED WITH 30870-25030
36500-36032
Unavailable
25
HORN | L,M,A
38500-36033
Unavailable
25
NO DESCRIPTION AVAILABLE | B; FROM 38500-36033 This part replaces 38500-36034.
38500-36036
Unavailable
26
WIRE, HORN | L,M
36870-25030
Unavailable
