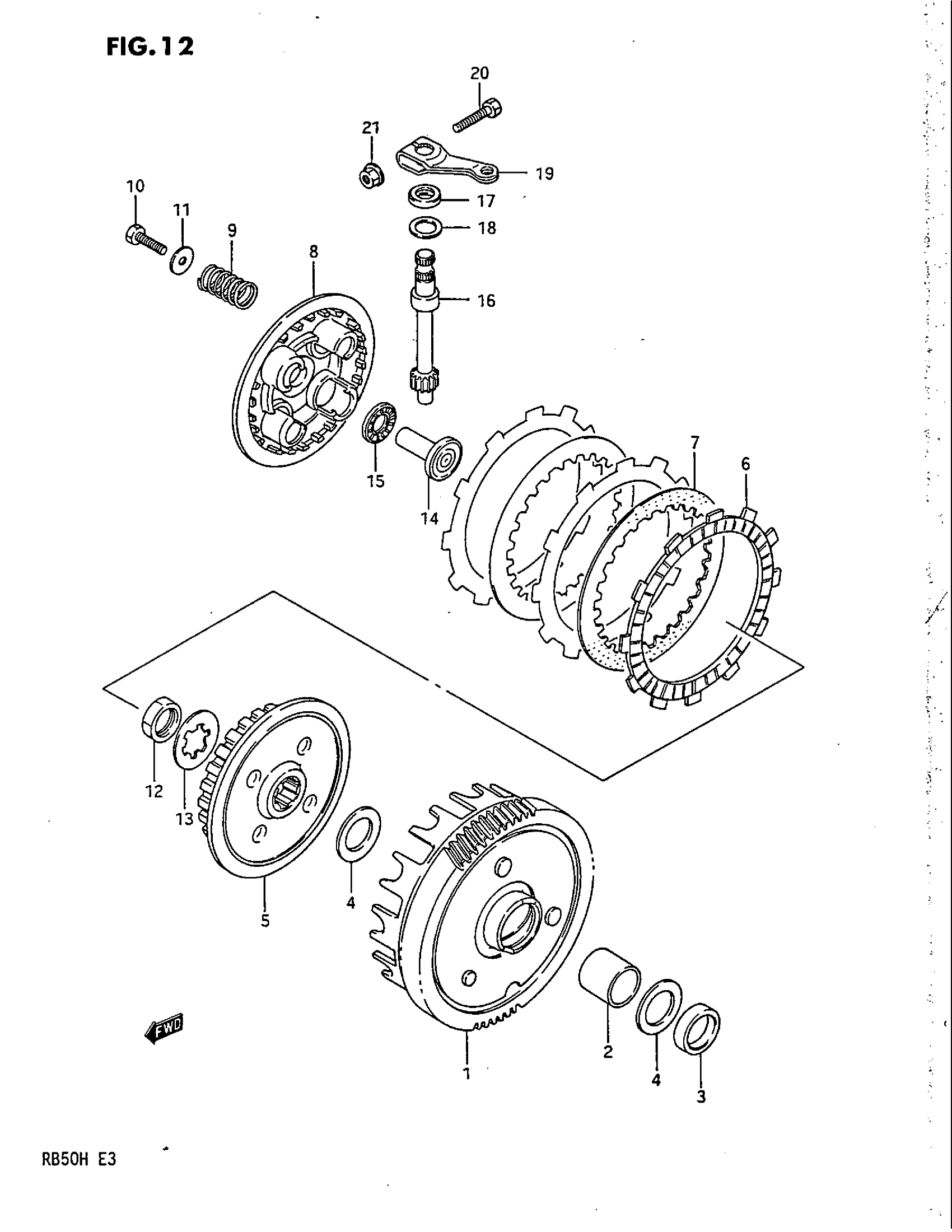
Suzuki GSXR50 (1987) CLUTCH Diagram
#
Description
Price
1
GEAR ASSY, PRIMARY DRIVEN | NT:73
21200-28B00
Unavailable
2
SPACER (17X22X21)
09180-17085
Unavailable
3
SPACER (17X24X7)
09180-17086
Unavailable
5
HUB, SLEEVE
21411-28B00
Unavailable
8
DISC, PRESURE
21462-28B00
Unavailable
9
SPRING
09440-15023
Unavailable
16
PINION, CLUTCH RELEASE
23261-28B00
Unavailable
19
ARM, CLUTCH RELEASE
23271-28B00
Unavailable
