Partiron

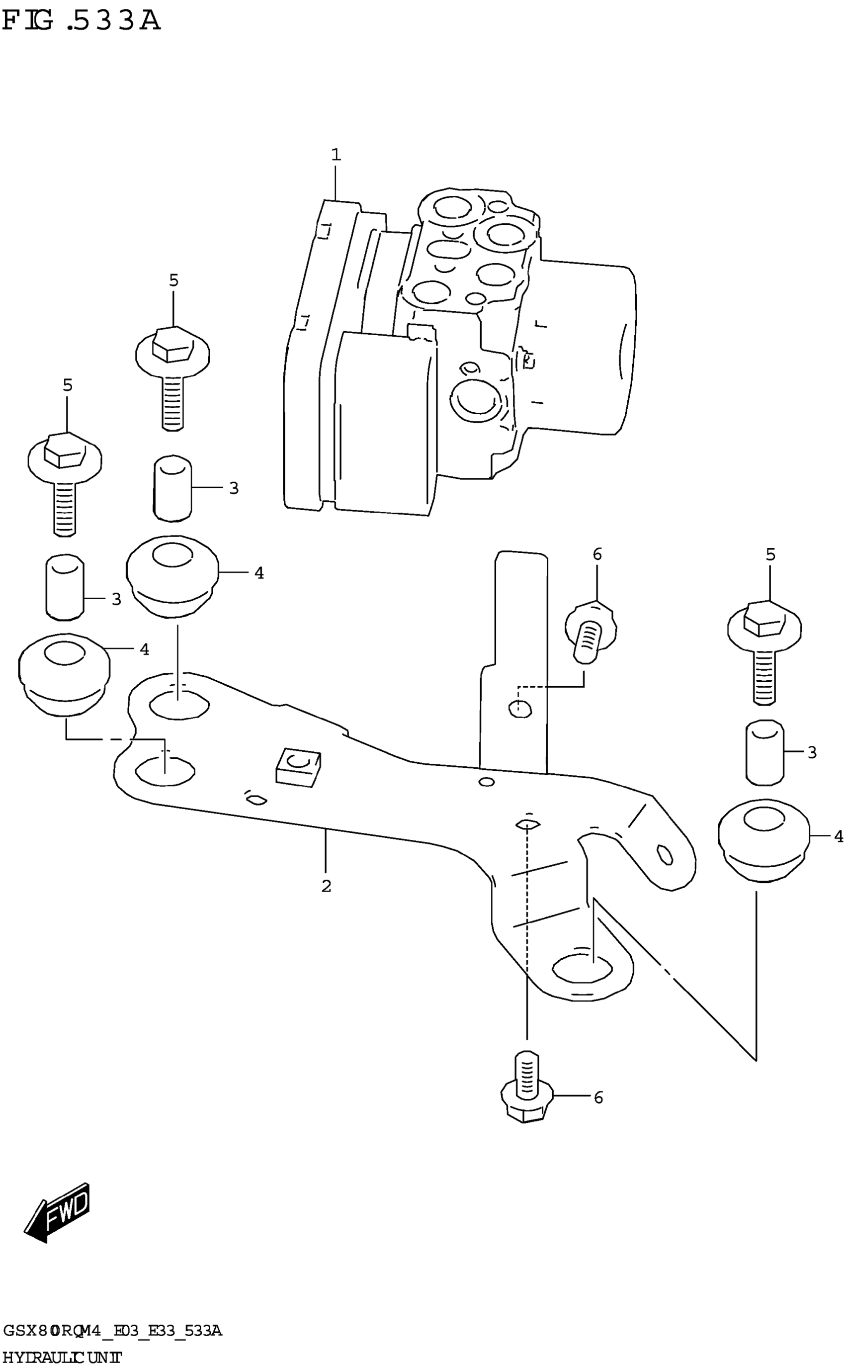
Suzuki GSX800RQM4 (2024) HYDRAULIC UNIT Diagram

#

Description
Price

1

UNIT ASSY,HYDRAULIC ABS

55610-25L00

$743.68

2

HOLDER,HYDR UNIT ABS

55650-25L00

$18.90

3

SPACER,HYDR UNIT MTG (#05)

55662-10G00

Unavailable

4

RUBBER,HYDR UNIT MTG

55663-10G00

Unavailable

5

BOLT (6X25)

09116-06150

$2.59

6

BOLT

01550-0612A

$1.97