Partiron

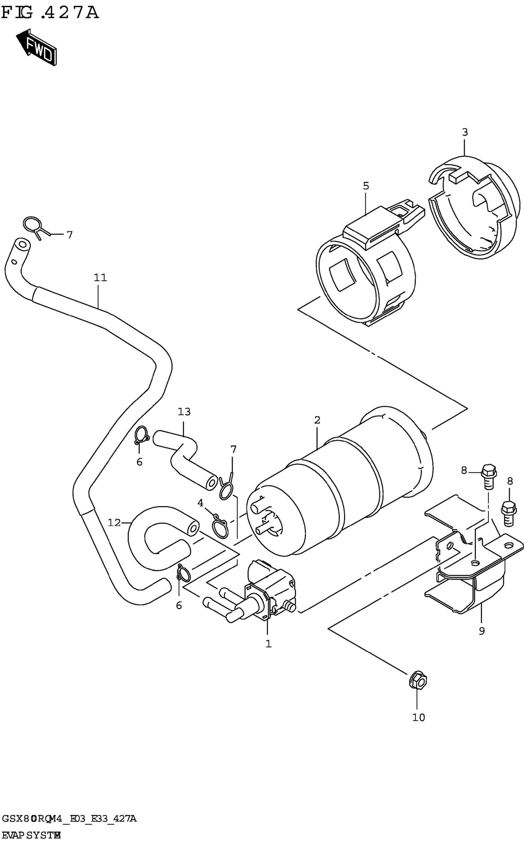
Suzuki GSX800RQM4 (2024) EVAP SYSTEM Diagram

#

Description
Price

1

VALVE,CANISTER PURGE

18114-74P00

$111.12

2

CANISTER ASSY,EVAP

18560-25L00

$43.20

3

COVER,CANISTER

18565-25L00

$30.40

4

CLIP,EVAP HOSE NO.1

18568-25L00

$1.49

5

CUSHION,CANISTER

18572-25L00

$30.40

6

CLIP

09401-10401

$1.49

7

CLIP (ID:11)

09401-11403

$2.85

8

BOLT

01547-0612A

$2.03

9

BRACKET,CANISTER

18570-25L00

$17.70

10

NUT (6X12)

08316-1006A

$2.19

11

HOSE,SURGE

18561-25L10

$27.27

12

HOSE,PURGE NO.1

18562-25L10

$14.08

13

HOSE,PURGE NO.2

18563-25L10

$12.07