Partiron

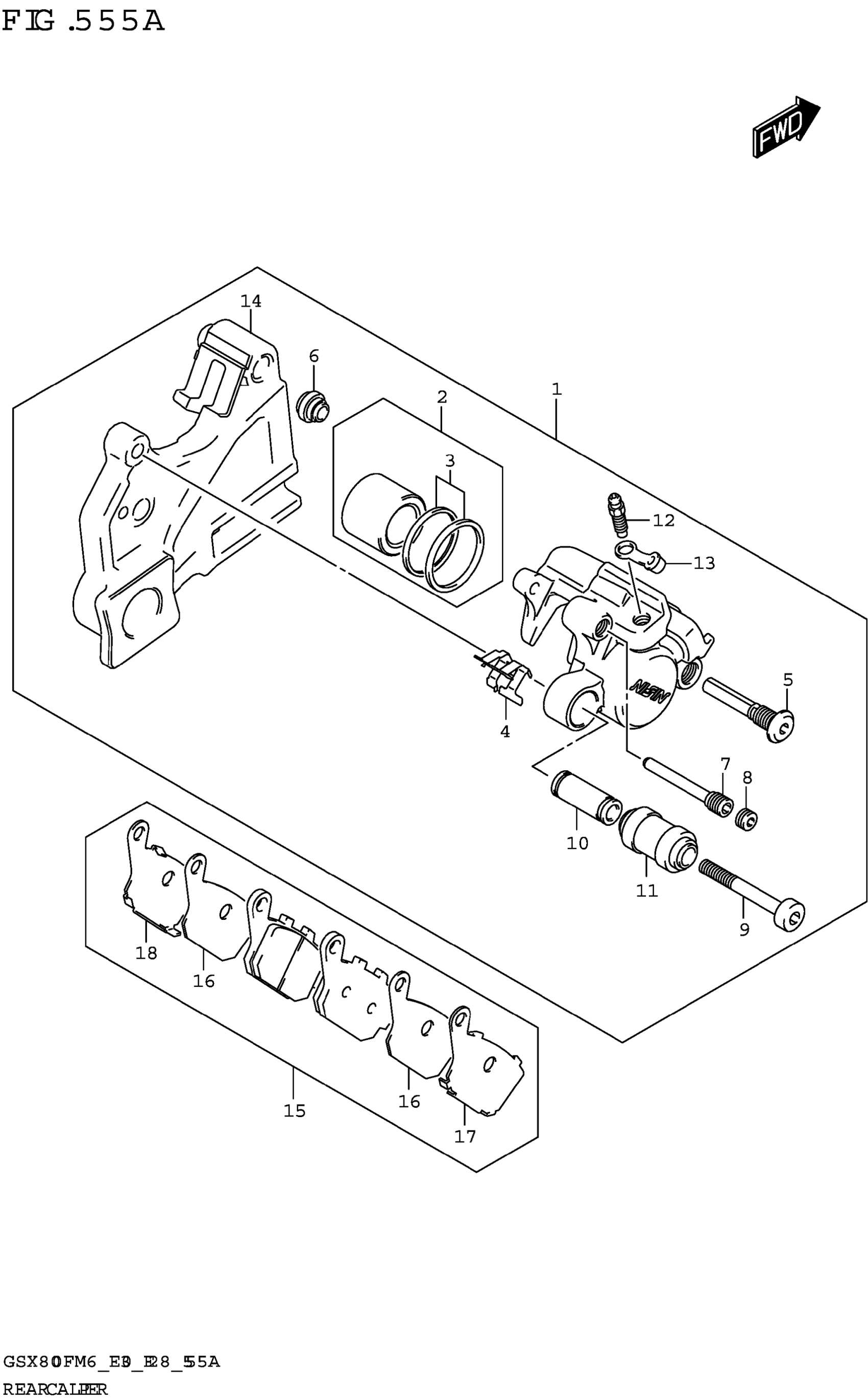
Suzuki GSX800FRQM6 (2026) REAR CALIPER Diagram

#

Description
Price

1

CALIPER ASSY,REAR

69100-13K20-999

$344.78

2

.PISTON SET

69100-04810

$47.22

3

..SEAL SET,PISTON

69100-04820

$8.77

4

.SPRING,PAD

69115-04F00

$10.22

5

.PIN,BOLT

59305-36E00

$18.20

6

.BOOT

59303-14500

$5.52

7

.PIN,PAD

69141-40F00

$29.48

8

.PIN PLUG

59146-08J00

$7.22

9

.BOLT

69182-13K20

$10.90

10

.SLEEVE

69185-04F00

$18.50

11

.BOOT,SLEEVE

69186-04F00

$13.22

12

.BLEEDER

59121-01A00

$8.73

13

.CAP,BLEEDER

59122-46H00

$4.43

14

.BRACKET

69150-13K20

$89.93

15

PAD & RETAINER SET

69100-08850

$64.30

16

.INSULATOR

69132-08J00

$11.90

17

.RETAINER

69133-06G00

$15.75

18

.RETAINER

69134-06G00

$15.45