Partiron

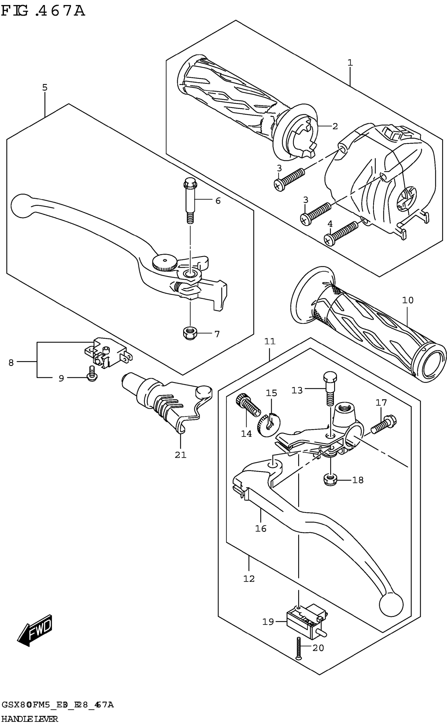
Suzuki GSX800FRQM5 (2025) HANDLE LEVER Diagram

#

Description
Price

1

GRIP ASSY,THROTTLE

57100-06L61

$300.17

2

.GRIP,THROTTLE

57110-06L10

$25.42

3

.SCREW

02112-0530B

$1.49

4

.SCREW

02112-0540B

$2.70

5

LEVER ASSY,BRAKE

57300-44G20

$40.76

6

.BOLT,LEVER PIVOT

57431-17H02

$7.13

7

.NUT

08319-2106A

$1.91

8

SWITCH ASSY,FR BRAKE

57460-14J02

$38.46

9

.SCREW,WITH WASHER (4X12)

57465-17C00

$2.19

10

GRIP,L

57211-21H01

$11.13

11

LEVER SET,CLUTCH

57059-25D70

$81.45

12

.LEVER ASSY,CLUTCH

57500-25D70

$71.97

13

..BOLT,LEVER PIVOT

57431-21D11

$9.76

14

..ADJUSTER,WIRE

57441-25L00

$18.75

15

.NUT, LOCK

57442-45C01

$8.41

16

..LEVER,CLUTCH

57621-25D10

$38.21

17

..BOLT

01547-0620B

$2.45

18

.NUT

08319-2106A

$1.91

19

.SWITCH ASSY,CLUTCH

57560-05A10

$30.85

20

.SCREW,CLUTCH SWITCH

57562-41G01

$9.58

21

COVER,CLUTCH LEVER

57661-33E01

$8.24