- Partiron
- OEM Parts
- Suzuki
- Motorcycle
- 2006
- GSX750FK4 (2006)
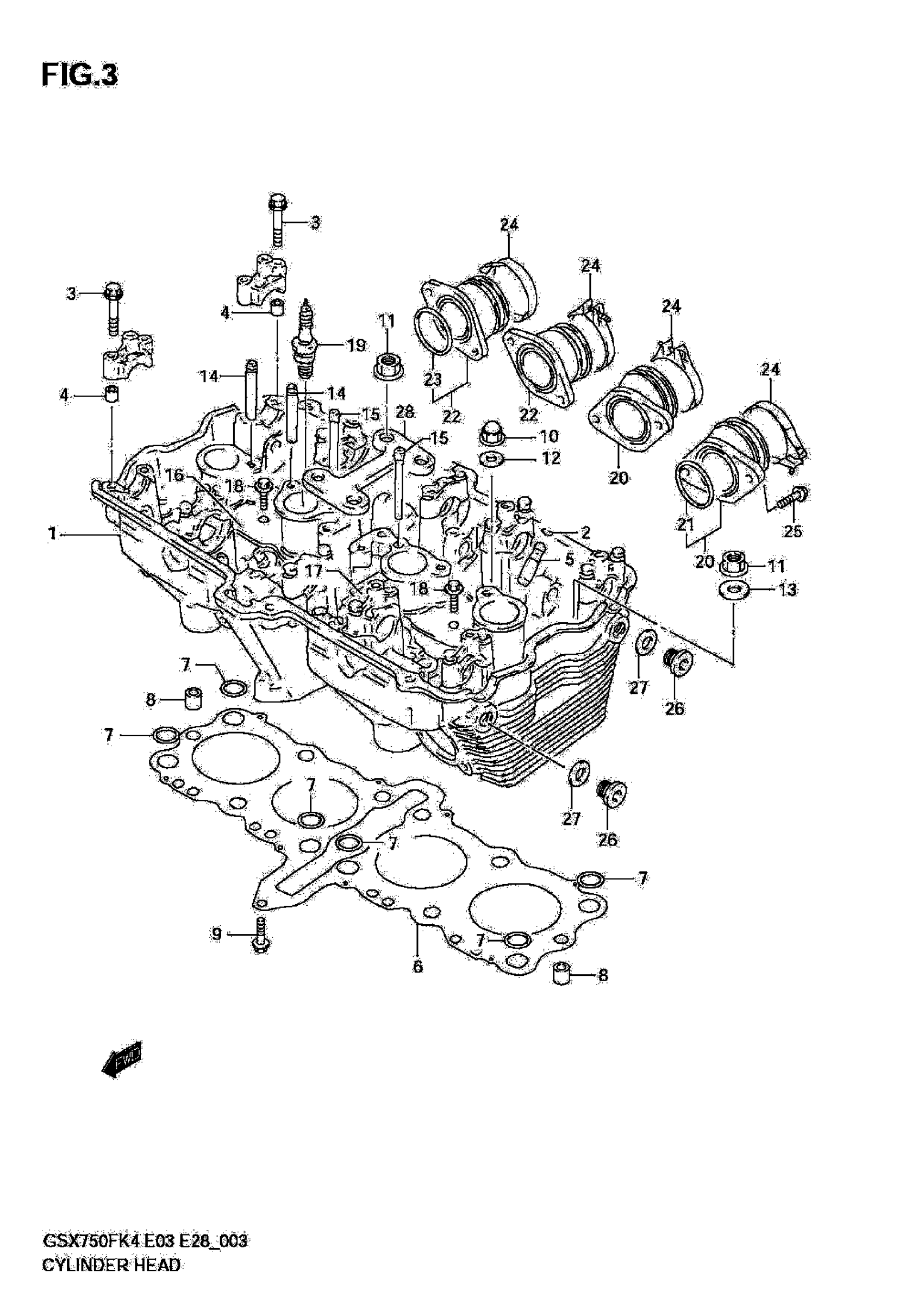
CYLINDER HEAD
Suzuki GSX750FK4 (2006) CYLINDER HEAD Diagram
#
Description
Price
1
HEAD ASSY, CYLINDER | MODEL K4/K5 E3,E28
11100-17D20
Unavailable
1
HEAD ASSY, CYLINDER | MODEL K4/K5 E33 MODEL K6
11100-08F10
Unavailable
15
PIPE, OIL NO.3
11133-27A00
Unavailable
16
PLATE, OIL PIPE RH
11135-27A02
Unavailable
17
PLATE, OIL PIPE LH
11136-27A02
Unavailable
28
PLATE, HEAD REINFORCEMENT
11138-40C00
Unavailable
